Esta radio ultra-simple, para el rango de ondas medias, no necesita pilas ni ninguna otra fuente de energía. La energía viene de las propias ondas de radio que se captan.
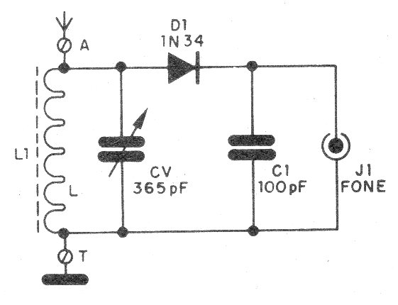
La bobina L1 consiste en 80 vueltas de alambre esmaltado, de 26 a 30, en un tubo de cartón, por donde puede deslizar el bastón de ferrita. El movimiento de este bastón de ferrita es el que da la sintonía de las estaciones.
El diodo D1 puede ser cualquiera de germanio, como el 1N34, 1N60, OA89 etc. El auricular debe ser obligatorio de cristal, o, entonces, magnético de alta impedancia.
Los capacitores C1 y C2 son cerámicos, y para buena recepción, y esencial una eficiente conexión a tierra, además de antena adecuada.
La conexión a tierra se puede hacer en cualquier objeto de metal en contacto con el suelo, como por ejemplo una tubería de agua, una escuadra de aluminio o el polo neutro de la toma (o tierra).
La antena debe estar bien aislada y tener al menos 10 metros de longitud, ya que la sensibilidad del radio depende de la cantidad de señales que pueden ser interceptadas por ella. Si no se oye ninguna señal de sonido en el auricular, ya que ciertamente no es de cristal ni de alta impedancia.

Lista de material
D1 - diodo de germanio 1N34 o equivalente
L1 - ver el texto
C1 - 10 pF - capacitor de cerámica
C2 - 100 pF - capacitor de cerámica
Varios: puente de terminales, auriculares de cristal o magnético de alta impedancia, hilos, soldadura, antena externa, etc.




