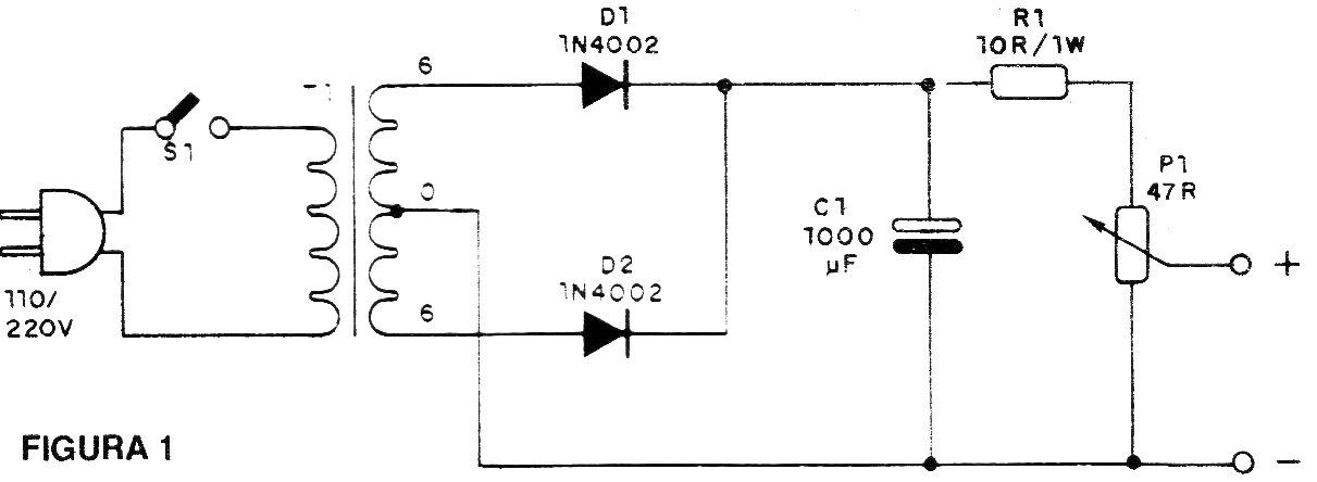
Este circuito tiene por finalidad alimentar aparatos y circuitos de 0 a 6 V con corrientes hasta unos 250 mA, sin problemas. El ajuste de la tensión de salida es hecho por un potenciómetro de hilo (no utilice de otro tipo) y el filtrado obtenido a través de un capacitor de 1 000 uF. El circuito no tiene regulación automática.
Podemos alimentar los proyectos de menor potencia, pequeñas radios y calculadoras y otros aparatos menos críticos.
El transformador debe tener un devanado primario de acuerdo con la red de energía (110 V o 220 V) y secundario de 6+ 6 V con una corriente entre 100 y 250 mA.
La tensión de trabajo del condensador electrolítico debe ser de 12 V o más y la resistencia R1 es d 1 o 2 W. Los diodos deben tener una tensión de trabajo de al menos 50 V.
Montaje
En la figura 1 tenemos el diagrama completo de la fuente y en la figura 2 su montaje en puente de terminales. Se recomienda utilizar una caja para el montaje.
Los bornes de salida deben ser rojo (+) y negro (-) para la identificación de la polaridad. La llave S1 es un interruptor sencillo, que sirve para encender y apagar la fuente.
Lista de materiales
D1, D2 - 1N4002 o equivalente - diodos de silicio
C1- 1 000 uF - capacitor electrolítico (12 V o 16 V)
R1 - 10 ohms x 1 W - resistor
P1- 47 ohms - potenciómetro de hilo
T1 - Transformador - ver texto
S1 - Interruptor simple
Varios:
Cable de alimentación, caja para montaje, puente de terminales, bornes, botón para el potenciómetro, hilos, soldadura, etc.





