este circuito simple se puede utilizar para reforzar la señal de fuentes que no son capaces de excitar su amplificador, la entrada de su pc, tales como micrófonos de baja y media impedancia, fonocaptores, captadores de guitarra, etc.
El circuito es muy simple y compacto, pudiendo incluso instalarse dentro de la fuente de señales, debiendo ser intercalado entre la fuente de señal y el propio amplificador.
La alimentación se puede realizar con tensiones de 6 a 9 V obtenidas de pilas comunes o de una batería. Como la corriente requerida es muy baja, la durabilidad de las pilas y las baterías será bastante grande.
El nivel de señal de salida depende del nivel de la señal de entrada y de la amplificación. En el caso, esta amplificación es del orden de 50 veces, pero puede ser alterada con el cambio del resistor R1 y también por el ajuste de P1.
Este potenciómetro (o trimpot) P1 justamente permite ajustar la ganancia del circuito con la fuente de señal para obtener una salida sin distorsión capaz de excitar el amplificador externo.
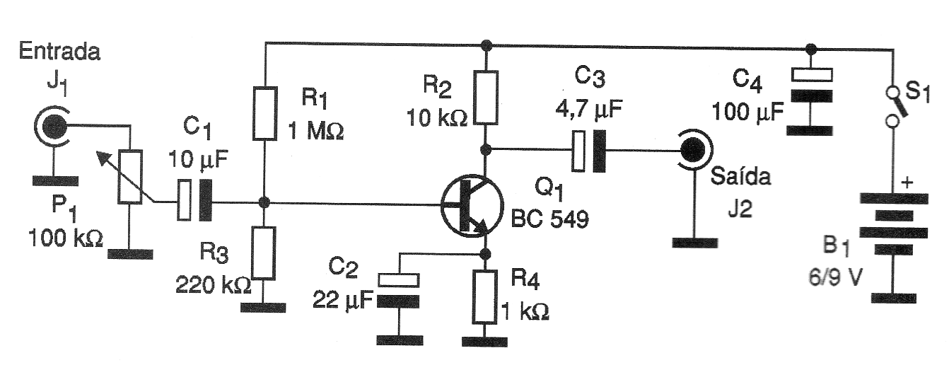
En la figura 1 tenemos el diagrama completo de este simple preamplificador de audio.
En la figura 2 tenemos una sugerencia para la disposición de los componentes en un puente de terminales ya que se trata de montaje extremadamente simple.
Por supuesto, los lectores más capacitados que desean un montaje más compacto pueden usar una tarjeta de circuito impreso, recordando que para fuentes de señales estéreo y amplificadores estéreo necesitaremos un preamplificador de este para cada canal.
Las conexiones deben ser cortas para que no ocurra la captación de zumbidos y, preferiblemente, debe usarse una caja de metal conectada al negativo de la fuente, para servir de blindaje.
El transistor BC549 proporciona mayor ganancia y menor nivel de ruido, pero en las aplicaciones comunes se pueden utilizar los BC548 e incluso BC547 sin problemas.
Los resistores son todos de 1/8 W o más y los capacitores electrolíticos deben tener tensiones de trabajo mínimas indicadas en la lista de materiales.
Para probar la unidad basta con la conexión auxiliar (AUX) de cualquier amplificador e inyectar una señal en su entrada, ajustando P1 para obtener el mejor nivel de salida sin distorsión.
LISTA DE MATERIAL
Semiconductores:
Q1 - BC549 o equivalente - transistores NPN de bajo nivel
Resistores: (1/8 W, 5%):
R1 - 1 M ohms - marrón, negro, verde
R2 - 10 k ohms - marrón, negro, naranja
R3 - 22 k ohms - rojo, rojo, naranja
R4 - 1 k ohms - marrón, negro, rojo
P1 - 100 k ohms - trimpot o potenciómetro
Capacitores:
C1 - 10 uF / 6 V - electrolítico
C2 - 22 uF / 12 V - electrolítico
C3 - 4,7 uF / 12 V - electrolítico
C4 - 100 uF / 12 V - electrolítico
Varios:
S1 - Interruptor simple
B1 - 6 o 9V - 4 pilas o batería
J1, J2 - jack de entrada y salida o enchufes
Puente de terminales, caja para montaje, cables blindados, botón de para el potenciómetro, conector de batería o soporte de pilas, cables, soldadura, etc.





