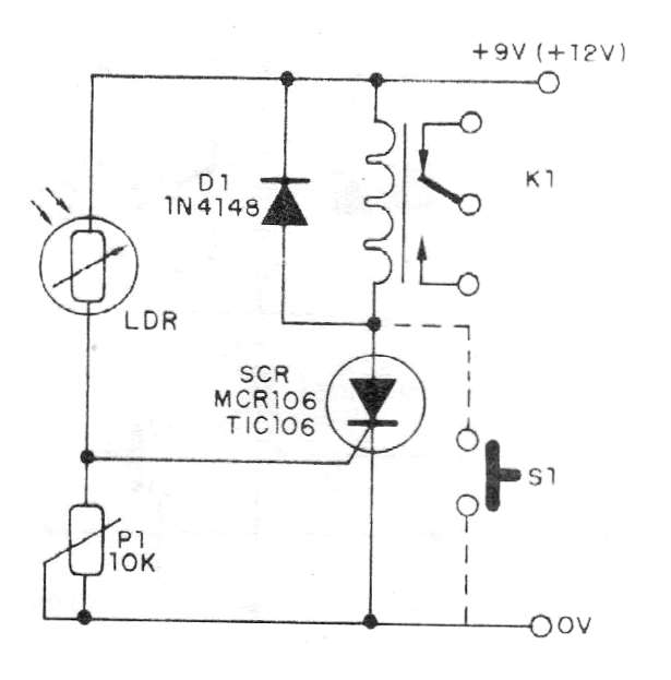
El circuito que presentamos consiste en una alarma que dispara y se bloquea cuando la luz incide por un breve intervalo de tiempo en el sensor, que es un LDR redondo común.
Los recursos ópticos se pueden agregar para obtener sensibilidad al accionamiento desde fuentes muy débiles o desde distancias muy grandes.
Podemos utilizar este circuito como control remoto por linterna, en sistemas de alarma o de disparo automático con flashes u otros recursos ópticos.
La alimentación debe realizarse con una tensión un poco mayor que la del relé usado para compensar eventuales caídas de tensión en el LDR.
Recomendamos 9 V para relés de 6 V y 12 a 14 V para relés de 12 V.
El consumo es extremadamente bajo en la condición de espera y para rearmar el aparato, una vez que la luz ha sido cortada del sensor, basta presionar por un instante S1 (o desconectar la fuente de alimentación y conectar de nuevo).
En la figura 1 tenemos el diagrama completo del aparato.

En la figura 2 tenemos una sugerencia de placa de circuito impreso que se puede instalar en una pequeña caja plástica.
Lista de material
SCR - TIC106A, B, o C - diodo controlado de silicio (SCR)
D1- 1N4148 - diodo de silicio
LDR - LDR redondo común
K1- Relé sensible – ver texto
S1 - Interruptor de presión NA
Varios:
Placa de circuito impreso, caja para montaje, fuente de alimentación, hilos, soldadura, etc.



