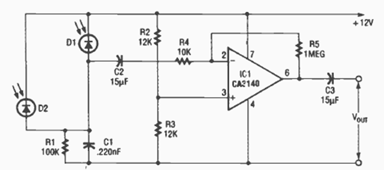
Este circuito sensor de luz infrarroja se encontró en la revista Radio Electronics de julio de 1992. Está sintonizado para luz modulada de 20 kHz.
El simple cargador que describimos sirve para pilas AA y también AAA, y del tipo aprovechado de packs de...
Una forma de obtener una gran sensibilidad a un relé es haciendo su disparo por un circuito...
El circuito que veremos a continuación utiliza un elemento de la familia de los semiconductores que aún no es...