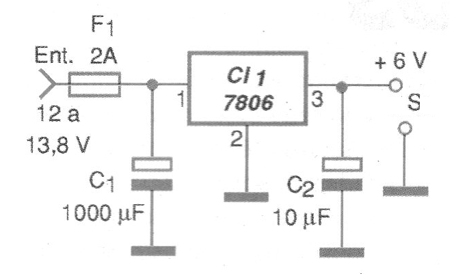
La finalidad del circuito de la figura 1 es obtener, de forma simple, una tensión de 6 V para alimentación de equipos portátiles a partir de la batería de uso automotriz. La corriente máxima es de 1 A y los enchufes de conexión con polaridad correcta se deben utilizar. El capacitor C1 debe tener una tensión de trabajo de al menos 16 V y el circuito integrado debe montarse en un disipador de calor.

 


| Clique na imagem para ampliar |

 

     En la figura 2 tenemos la placa de circuito impreso para el montaje del reductor. Recomendamos que se cierre en una caja de plástico.

 


| Clique na imagem para ampliar |

 

 

 

Lista de material

 

CI-1 - 7806 - circuito integrado

C1 - 1000 uF x 16 V - capacitor electrolítico

C2 - 10 uF x 12 V - capacitor electrolítico

F1 - 2 A - fusible

Varios:

Placa de circuito impreso, hilos, soldadura, radiador de calor para el circuito integrado, etc.