Generar un ruido blanco para usos en diversas finalidades aprovechando el ruido de la unión base / emisor de un transistor de uso general. Cualquier transistor se puede utilizar en esta aplicación. El circuito completo del generador de ruido blanco se muestra en la figura 1.

Utilidades:
• Pruebas de equipos de comunicación
• Generación de efectos de sonido
• Producción de sonido de mar para la relajación
• Síntesis de sonidos en instrumentos musicales
Detalles constructivos:
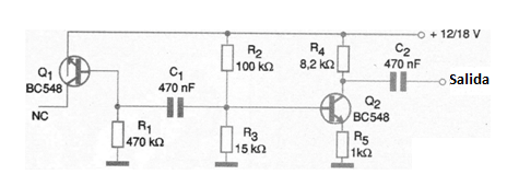
La placa de circuito impreso para el montaje del generador se muestra en la figura 2. Observe que el terminal de colector del transistor Q1 se mantiene sin conexiones. La señal tiene una intensidad de algunos cientos de microvolts y se debe aplicar a la entrada de amplificadores para su uso.
La alimentación debe ser hecha con fuente de excelente filtrado. El acoplamiento de la señal al amplificador, si externo, debe ser hecho por cable blindado.
Lista de material:
Semiconductores:
Q1, Q2 - BC548 o equivalentes - transistores NPN de uso general
Resistores: (1/8 W, 5%)
R1 - 470 k ohms
R2 - 100 k ohms
R3 - 15 k ohms
R4 - 8,2 k ohms
R5 - 1 k ohms
Capacitores:
C1, C2 - 470 nF - capacitor de cerámica o poliéster
Varios:
Placa de circuito impreso, hilos, soldadura, etc.




