Esta simple prueba de componentes se puede utilizar en la bancada en la verificación del estado de componentes y circuitos. Simple de usar tiene tres indicadores LED y la corriente de prueba es muy baja.
Con este probador podemos verificar el estado de diodos, LEDs, empalmes de transistores, resistores, condensadores, transformadores y mucho más.
El lector podrá saber más sobre la prueba de otros componentes en nuestra serie de libros "Cómo probar componentes", volumen 1 a 4, donde enseñamos a usar probadores de este tipo y de otros tipos también.
El circuito funciona con una señal alternada que se aplica al diodo y otros componentes con uniones hace que sólo un LED se encienda en la conducción en un solo sentido.
En la prueba de otros dispositivos, si hay continuidad los dos LED se encienden, y si el circuito está abierto o presenta resistencia muy alta, ninguno se enciende.
La alimentación se realiza por la red de energía a través de un pequeño transformador, pero la corriente de prueba es muy baja, lo que significa que los componentes y circuitos probados no corren ningún peligro de quema o sobrecarga.
Todas las pruebas deben realizarse con el componente fuera del circuito o con la alimentación apagada.
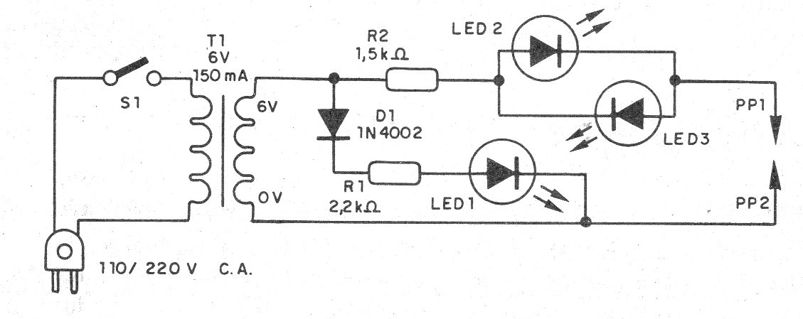
En la figura 1 tenemos el diagrama completo del micro-test.
Como el montaje es muy simple, se puede hacer sobre la base de un pequeño puente de terminales, como se muestra en la figura 2.
En el montaje es muy importante observar la polaridad de los LED y diodo.
Los resistores son de 1/8 W con cualquier tolerancia y cualquier transformador con 5 o 6 V de secundario y corriente de 100 a 500 mA puede ser usado.
Para las pruebas, se pueden utilizar dos puntas de prueba o hilos con garras de cocodrilo.
Para comprobar si el funcionamiento es normal, apoye una punta o garra en la otra: los LED 2 y 3 deben encenderse.
El LED permanece siempre encendido, indicando que el circuito está funcionando.
Lista de material
D1 - 1N4002 - diodo rectificador o 1N4004
LED1, LED2, LED3 - LEDs comunes de cualquier color
T1 - Transformador - ver texto
S1 - Interruptor simple
R1 - 2k2 ohms - resistor - rojo, rojo, rojo
R2 - 1k5 ohms - resistor - marrón, verde, rojo
PP1, PP2 - puntas de prueba o garras
Varios:
Puente de terminales, cable de alimentación, hilos, caja para montaje, etc.





