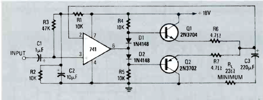
Este circuito es la versión de fuente única del circuito anterior. Los transistores son de propósito general. Lo encontramos en la revista Radio Electronics de marzo de 1990.
En realidad se trata de un juguete o circuito didáctico que indica cuando las respuestas correctas son...
En la figura 1 tenemos un oscilador controlado a cristal que puede generar señales en el rango de...
A diferencia del caso del LED rítmico I (MIN536S) tendremos el parpadeo de muchos y no sólo 1. El...