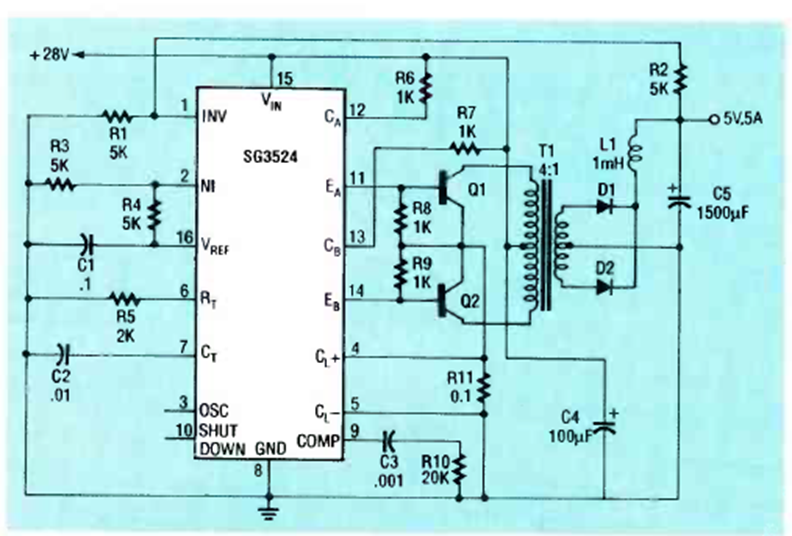
Este circuito utiliza el SQ3524, un circuito integrado de conmutación. El circuito fue encontrado en la edición de abril de 1991 de la revista Radio Electronics.
Este circuito también es un oscilador Hartley pero con potencia, pudiendo elevar la tensión de 12V...
El circuito mostrado en la figura 1 es ideal para obtener una tensión regulada de 13,6 V para...
Objetivo: Controlar la potencia aplicada a una carga a partir de la red de energía de 110 V o 220...