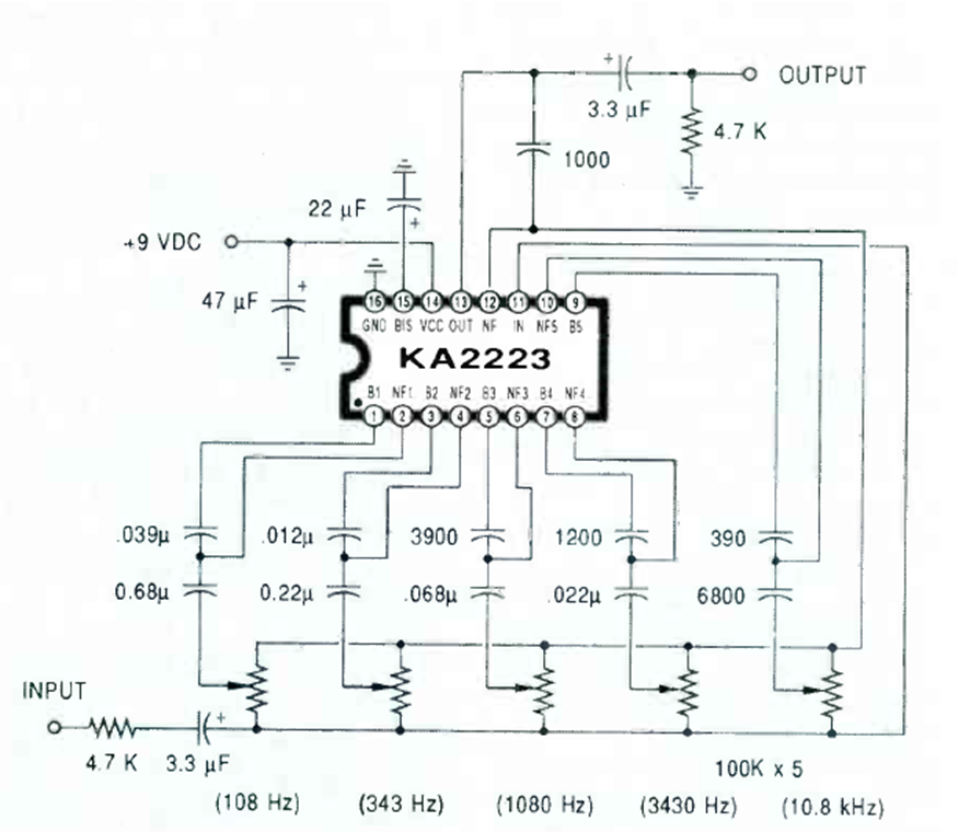
Este circuito fue encontrado en una Radio Electrónica de abril de 1990. El circuito tiene 5 bandas de ecualización dadas por los capacitores utilizados.
En realidad se trata de un juguete o circuito didáctico que indica cuando las respuestas correctas son...
En la figura 1 tenemos un oscilador controlado a cristal que puede generar señales en el rango de...
A diferencia del caso del LED rítmico I (MIN536S) tendremos el parpadeo de muchos y no sólo 1. El...