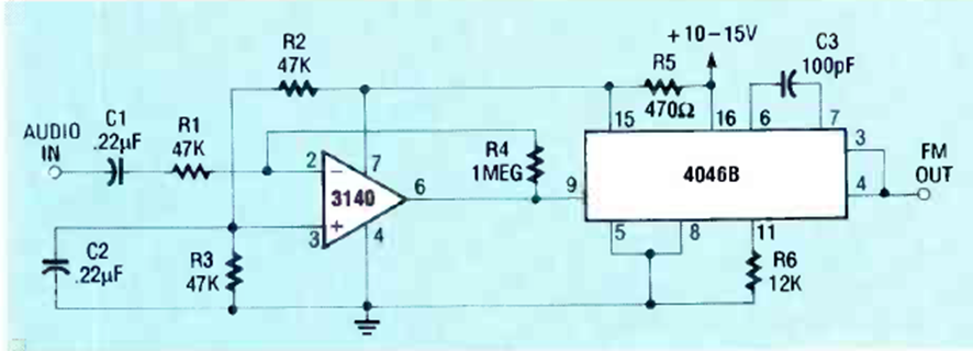
Utilizando un PLL 4046 encontramos este circuito en la edición de diciembre de 1989 de la revista Radio Electronics. El circuito opera a 220 kHz, pero esta frecuencia se puede cambiar modificando C3.
Este circuito también es un oscilador Hartley pero con potencia, pudiendo elevar la tensión de 12V...
El circuito mostrado en la figura 1 es ideal para obtener una tensión regulada de 13,6 V para...
Objetivo: Controlar la potencia aplicada a una carga a partir de la red de energía de 110 V o 220...