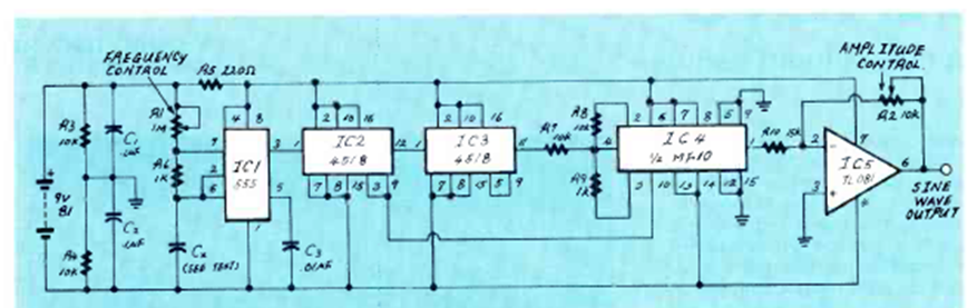
Este circuito genera señales sinusoidales que dependen del oscilador de entrada. El circuito es de una Radio Elecrtronics de abril de 1988. Las señales están en el rango de unos pocos cientos de kilohertz.
Esta simple prueba de componentes se puede utilizar en la bancada en la verificación del estado de...
El circuito presentado en la figura 1 tiene como base un 4093 y tiene enorme sensibilidad, dada la elevada...
Describimos el montaje de un sensible galvanómetro, que puede acusar la circulación de cadenas muy...