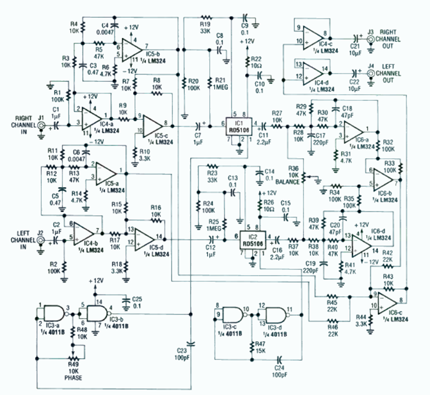
Encontramos este circuito de efectos de voz en la revista Radio Electronics de septiembre de 1990. El circuito funciona con señales provenientes de dos entradas de un sistema estéreo.
Esta simple prueba de componentes se puede utilizar en la bancada en la verificación del estado de...
El circuito presentado en la figura 1 tiene como base un 4093 y tiene enorme sensibilidad, dada la elevada...
Describimos el montaje de un sensible galvanómetro, que puede acusar la circulación de cadenas muy...