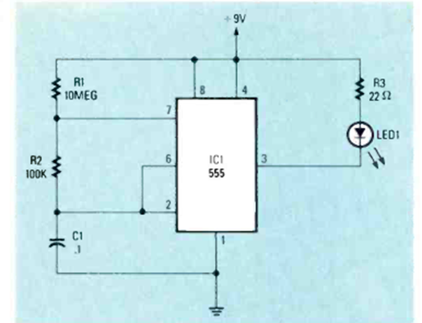
Este sencillo pulsador apareció en un artículo para ser realizado con componentes SMD. La revista es Radio Electronics de noviembre de 1987. El circuito puede funcionar con otras tensiones según el LED y la aplicación.

Este sencillo pulsador apareció en un artículo para ser realizado con componentes SMD. La revista es Radio Electronics de noviembre de 1987. El circuito puede funcionar con otras tensiones según el LED y la aplicación.
