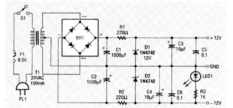
Este circuito con corriente hasta 100 mA según el transformador fue encontrado en la revista Radio Electronics de octubre de 1991. La regulación se realiza directamente mediante los zener.
Un indicador tipo "bargraph" o de barra móvil con 4 LEDs puede ser implementado conectando las...
El circuito presentado hace que las lámparas de 5 a 100 vatios parpadeen con el ritmo de la música de...
Con este circuito podemos accionar un relé a partir de señales muy débiles de audio o de corriente...