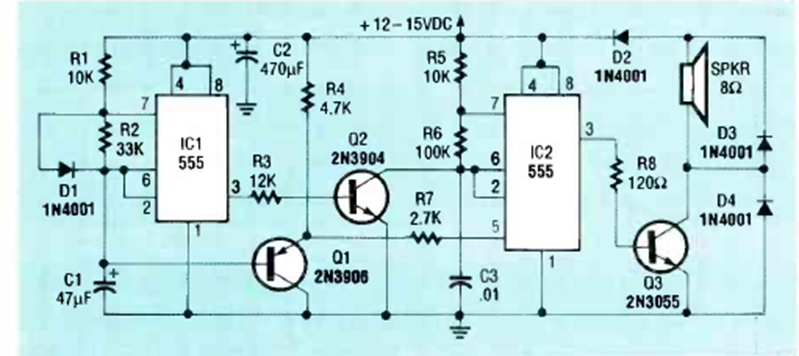
Este circuito de alerta roja de la película Star Trek se encontró en la edición de julio de 1990 de la revista Radio Electronics. El transistor de potencia debe estar equipado con un disipador de calor.
Un indicador tipo "bargraph" o de barra móvil con 4 LEDs puede ser implementado conectando las...
El circuito presentado hace que las lámparas de 5 a 100 vatios parpadeen con el ritmo de la música de...
Con este circuito podemos accionar un relé a partir de señales muy débiles de audio o de corriente...