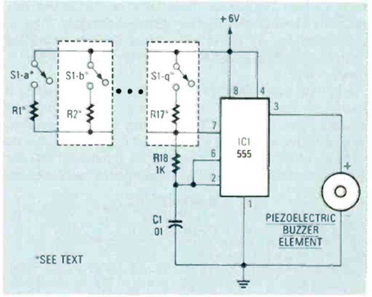
Este interesante circuito para montaje SMD apareció en la edición de noviembre de 1987 de la revista Radio Electronics. Los fonones se generan mediante resistores seleccionadas que se colocan en el conjunto.
Un indicador tipo "bargraph" o de barra móvil con 4 LEDs puede ser implementado conectando las...
El circuito presentado hace que las lámparas de 5 a 100 vatios parpadeen con el ritmo de la música de...
Con este circuito podemos accionar un relé a partir de señales muy débiles de audio o de corriente...