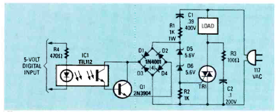
Este circuito es un excelente protector para microcontroladores y se encontró en la revista Radio Electronics de octubre de 1987. Se puede utilizar con otras tensiones, ya que el triac y el optoaislador admiten versiones más modernas.
Este tipo de oscilador utiliza una configuración fuera de lo común y puede ser utilizado como base...
El circuito mostrado en la figura 1 proporciona una corriente constante (IL) para dos o más LEDs con...
) Es un montaje experimental muy simple que genera tensiones elevadas a partir de una pila común. Estas...