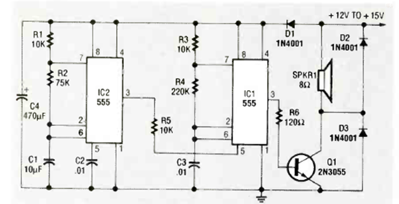
Este circuito aparece en varias versiones en publicaciones de la época y se puede modificar cambiando los condensadores. Esto es de la edición de octubre de 1992 de la revista Radio Electronics.
Este tipo de oscilador utiliza una configuración fuera de lo común y puede ser utilizado como base...
El circuito mostrado en la figura 1 proporciona una corriente constante (IL) para dos o más LEDs con...
) Es un montaje experimental muy simple que genera tensiones elevadas a partir de una pila común. Estas...