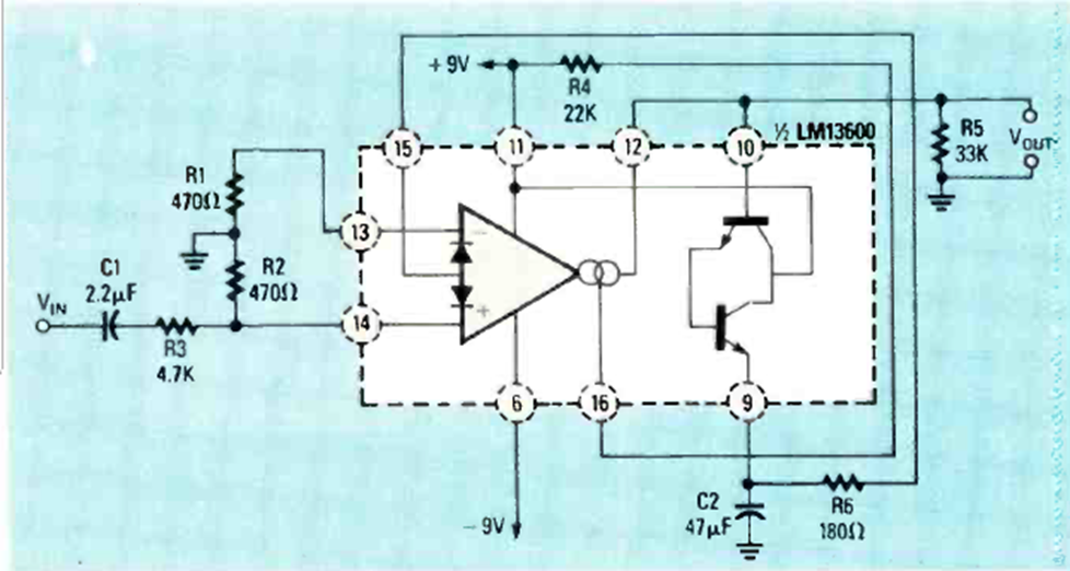
Este circuito de control automático de ganancia se encontró en la edición de julio de 1988 de la revista Radio Electronics. El circuito se basa en un amplificador operacional de transconductancia.
Este tipo de oscilador utiliza una configuración fuera de lo común y puede ser utilizado como base...
El circuito mostrado en la figura 1 proporciona una corriente constante (IL) para dos o más LEDs con...
) Es un montaje experimental muy simple que genera tensiones elevadas a partir de una pila común. Estas...