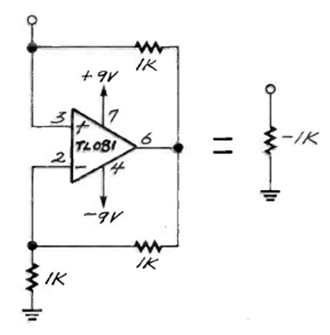
Este circuito que se encuentra en la revista Electronics Now emula una resistencia negativa de -1k. El circuito se puede utilizar en osciladores de relajación.

Este circuito que se encuentra en la revista Electronics Now emula una resistencia negativa de -1k. El circuito se puede utilizar en osciladores de relajación.
