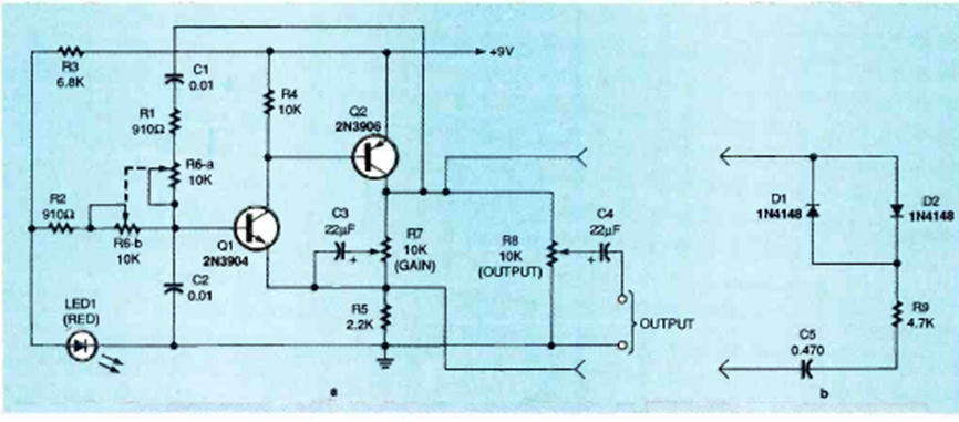
Este oscilador genera señales sinusoidales de 1,5 a 15 kHz y utiliza transistores complementarios comunes. El circuito fue encontrado en la edición de diciembre de 1995 de la revista Electronics Now.
Otra solución para generar señales rectangulares de algunos hertz hasta 5 MHz aproximadamente es la que hace...
Este simple circuito puede medir temperaturas con cierta precisión, dependiendo sólo de cómo se...
Con este simple circuito es posible controlar el brillo de una lámpara pequeña alimentada por...