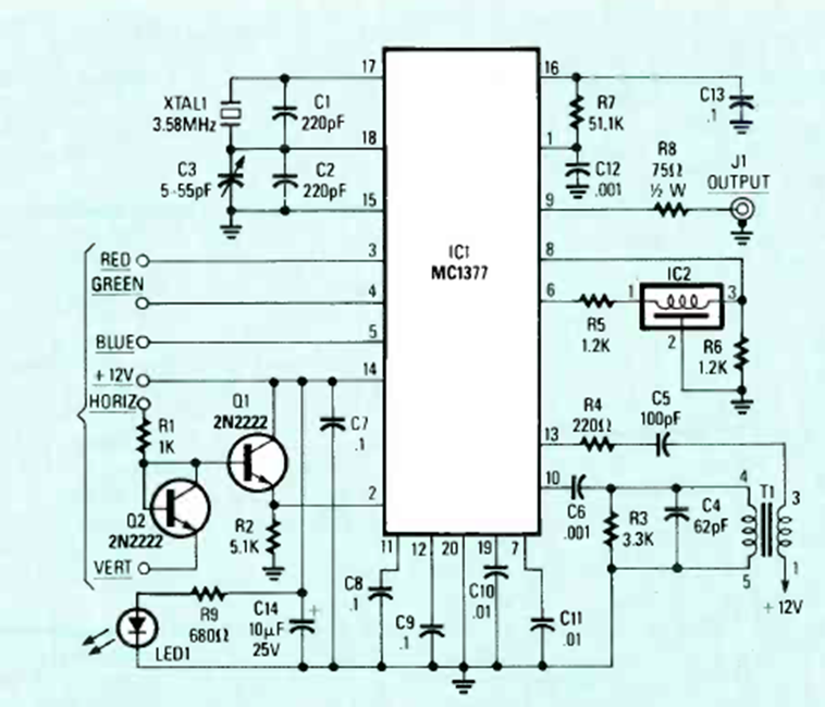
Este circuito puede ser de interés para los restauradores de equipos de vídeo antiguos. Lo encontramos en la revista Radio Electronics de diciembre de 1989.
Este tipo de oscilador utiliza una configuración fuera de lo común y puede ser utilizado como base...
El circuito mostrado en la figura 1 proporciona una corriente constante (IL) para dos o más LEDs con...
) Es un montaje experimental muy simple que genera tensiones elevadas a partir de una pila común. Estas...