Cuando un equipo electrónico presenta defectos, el procedimiento correcto es hacer el diagnóstico por etapas. Al analizar el recorrido de una señal en un circuito, paso por paso, podemos llegar al punto en que se encuentra el problema, probando entonces los componentes que pueden estar defectuosos. Este artículo es una pequeña muestra de lo que encontrarás en el libro Reparar todo de nuestra autoría.
Hay algunos procedimientos básicos en el análisis de equipos electrónicos que valen para cualquier tipo de aparato. Estos procedimientos se utilizan en el análisis de los equipos, en la utilización de instrumentos y en la detección de fallas de componentes.
Es conveniente que el lector se familiarice con estos procedimientos, si desea adquirir práctica mayor en la reparación. De lo contrario, podrá consultarlos sólo en el momento de dudas o cuando los necesite.
Evidentemente, los procedimientos que describimos no son definitivos, e incluso admite variaciones. La manera de exponerlo aquí es función de la necesidad de transmitir un conocimiento inmediato para la solución de problemas que puedan ocurrir con un aparato que no funcione de la manera esperada.
ANÁLISIS POR ETAPAS
Para facilitar el análisis de cualquier aparato electrónico hacemos su división por sectores o etapas. Cada sector o etapa reúne un cierto número de componentes de funcionamiento más o menos independiente y ejerce una cierta función dentro de un aparato electrónico. Conociendo la función de la etapa es más fácil descubrir cuándo ocurre algo anormal con el funcionamiento del aparato.
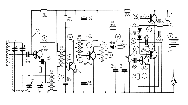
En la figura 1 tenemos una radio común transistorizada con puntos de análisis de las señales. Cada transistor corresponde a un paso. Del punto 1 al 8 tenemos señales de RF y del 8 al 16 tenemos señales de audio.

El componente central de un paso normalmente es uno o más transistores o un circuito integrado. En torno a este elemento se ligan resistores, capacitores, diodos, transformadores y otros componentes que pueden tener las siguientes funciones:
a) Acoplar las señales, es decir, permitir el paso de la señal de una etapa a otra como, por ejemplo, transformadores y capacitores.
b) Polarizar la etapa, es decir, proporcionar tensiones continuas a los diversos elementos activos como transistores y circuitos integrados. Los resistores son los componentes más utilizados en esta función.
c) Desacoplar señales, es decir, desviar señales indeseables a la tierra, usándose normalmente capacitores para este propósito.
Cuando nos referimos a una etapa de un aparato eso significa un determinado sector de un equipo que puede ejercer una de las siguientes funciones:
* Fuente de alimentación - siendo formado por componentes como un transformador (no siempre presente), diodos rectificadores, capacitores, resistores y eventualmente transistores, diodos zener y circuitos integrados reguladores de tensión. En las fuentes llave, como las usadas en ordenadores, podemos encontrar osciladores con FET, SCRs y otros componentes.
* Preamplificador de audio - consistentes en uno o más transistores, resistores de polarización, capacitores que operan con señales de bajas frecuencias y dependiendo del aparato, circuitos integrados especiales para esta función.
* Driver o impulsor de audio - consistentes en transistores, transformadores, capacitores y resistores que "empujan" la señal de audio amplificada para la salida de radios, amplificadores y otros aparatos. Esta función se puede encontrar en circuitos integrados junto con otros.
* Salida de audio - es el paso inmediatamente anterior al auricular o al altavoz de cualquier aparato que tenga estos elementos. Puede ser formada por uno o más transistores o aún un circuito integrado.
* Oscilador de RF o mezclador - etapa que se encuentra en radios AM y FM y opera con transistores de altas frecuencias además de bobinas y capacitores comunes y variables además de resistores. En muchas radios este paso está incorporado a un circuito integrado.
* Amplificador de FI o frecuencia intermedia - etapa que amplifica señales de altas frecuencias teniendo por base transistores y en algunos casos circuitos integrados, bobinas de FI, filtros cerámicos y componentes comunes como resistores, capacitores, etc.
* Detector - punto de un receptor de radio donde deja de existir la señal de alta frecuencia para encontrar sólo señales de bajas frecuencias o audio. Normalmente esta función es ejecutada por un diodo semiconductor como elemento básico.
* Amplificador de vídeo - sector que utiliza transistores o circuitos integrados y tiene por función amplificador señales que llevan información sobre la imagen a reproducir en un televisor o en un monitor de vídeo de ordenador.
* Amplificador de CC o corriente continua - etapa que emplea transistores o aún circuitos integrados que amplifican corrientes continuas.
* Inversor - oscilador de baja frecuencia que genera una señal que, aplicada a un transformador, da origen a una alta tensión para alimentación de diversos equipos o etapas. Se encuentra en los flashes electrónicos, no-brakes de computadoras, fuentes conmutadas de computadoras y otros equipos, igniciones electrónicas, etc.
* Pasos lógicos - utilizan circuitos integrados especiales CMOS o TTL y operan sólo con dos niveles de tensión (alto y bajo). Encontramos esta etapa en ordenadores, instrumentos digitales, calculadoras, etc.
Todos los pasos poseen, entradas y salidas que deben ser identificadas en el análisis de un equipo. Para las etapas transistorizadas tenemos tres posibilidades de acuerdo con la configuración en que están conectados los transistores:
* Emisor común - la señal entra por la base del transistor y sale por el colector.
* Base común - la señal entra por el emisor y sale por el colector.
* Colector común - la señal entra por la base y sale por el emisor.
Para las válvulas los elementos equivalentes son: grade = base; ánodo = colector; cátodo = emisor.
Muchos circuitos integrados forman sistemas completos con diversas etapas poseyendo así una entrada y una salida, o aún diversas entradas y diversas salidas.
Tenemos como ejemplo de ello, circuitos integrados de amplificadores de audio que contienen amplificadores completos. Estos circuitos tienen una entrada conectada a una etapa preamplificadora que está conectada internamente a una etapa impulsora y que a su vez está conectada a la etapa de salida, donde encontramos la salida que va a ser conectada a un auricular o altavoz.
Diversos pines adicionales corresponden a la alimentación, elementos de polarización y desacoplamiento además de otras funciones.
También tenemos amplificadores "clase D" que utilizan circuitos integrados muy complejos que contienen hasta microprocesadores para programación de ganancia, control externos y mucho más que funcionan según principios completamente diferentes.
También existen los llamados "acoplamientos" directos o "Darlingtons" donde no existe una separación entre las etapas pues están interconectadas por un hilo común. De todos modos, siempre tenemos una entrada y una salida para la señal.
El análisis de un paso incluye dos tipos de procedimientos:
* Verificar si la señal pasa por el paso y recibe el procesamiento esperado o si el paso genera la señal esperada.
* Medir tensiones en los diversos elementos del paso para comprobar si son correctas.



