Este circuito puede ser utilizado como preamplificador para micrófonos o como etapa de amplificación para auriculares en receptores experimentales (galena). El circuito es sencillo de montar y tiene un consumo muy bajo.
Este circuito tiene un consumo muy pequeño, de modo que la batería que lo alimenta tendrá una durabilidad muy grande.
La impedancia de entrada es muy alta y la impedancia de salida baja, posibilitando su conexión a auriculares de diversos tipos oa la entrada de amplificadores.
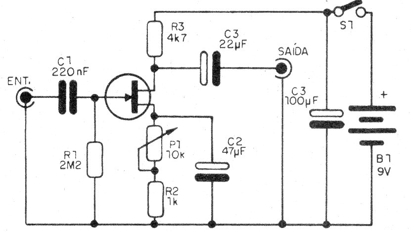
En la figura 1 tenemos el diagrama completo del preamplificador.
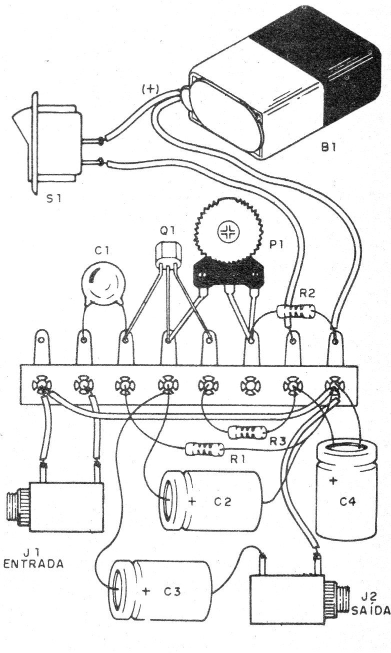
Como se trata de un circuito muy simple, su montaje se puede realizar sobre la base de un pequeño puente de terminales, como se muestra en la figura 2.
En el montaje, observe la posición del transistor y la polaridad de la batería, pues con inversiones el circuito no funciona.
El transistor también puede ser el MPF102, pero tiene disposición de terminales distinto del BF245.
Lista de material
Q1 - BF245 - transistores de efecto de campo
S1 - Interruptor simple
B1 - 9 V - batería
R1 - 2M2 x 1/8 W - resistor - rojo, rojo, verde
R2- 1 k ohms x 1/8 W-resistor - marrón, negro, rojo
R3 - 4k7 ohms x 1/8 W - resistor - amarillo, violeta, rojo
C1 - 220 nF - capacitor de cerámica o poliéster
C2 - 47 uF - capacitor electrolítico
C3 - 22 uF - capacitor electrolítico
C4 - 100 uF - capacitor electrolítico
Varios:
Puente de terminales, conector de batería, jack de entrada y de salida, hilos, soldadura, etc.





