Con este simple circuito podemos verificar capacitores electrolíticos de 1 uF hasta unos 1.000 uF. Ajustando P1, si el condensador está bien, encontramos puntos en los que el LED parpadeará continuamente. El circuito es sencillo de montar y utiliza sólo un circuito integrado 555.
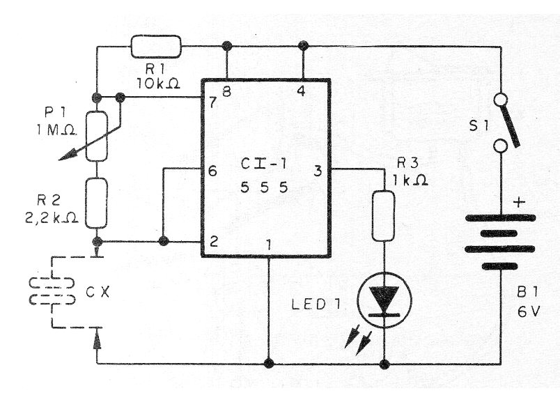
Lo que tenemos es un oscilador cuya frecuencia depende del ajuste de P1 y también de la capacitancia del capacitor en prueba. Si el capacitor está bien, el circuito funciona. Podemos conectar en paralelo con el LED un transductor cerámico para también tener una indicación auditiva y en este caso, capacitores menores, a partir de 1 nF pueden ser probados. El diagrama completo del probador se muestra en la figura 1.
El montaje se puede realizar en una matriz de contactos o bien placa de circuito impreso. Una sugerencia de placa de circuito impreso se muestra en la figura 2.

Para la conexión del condensador en prueba Cx, sugerimos el uso de dos pedazos de hilos de no más de 20 cm teniendo garras jacaré en la punta. Para el caso de electrolíticos se debe observar la polaridad en su conexión.
Lista de material
CI1 - 555 - circuito integrado
LED1 - LED común de cualquier color
B1 - 6 V - 4 pilas pequeñas
S1 - Interruptor simple
P1 - 1 M ohms - potenciómetro
R1 - 10 k ohms x 1/8 W-resistor - marrón, negro, naranja
R2 - 2k2 ohms x 1/8 W - resistor - rojo, rojo, rojo
R3 - 1 k ohms x 1/8 W - resistor - marrón, negro, rojo
Varios placa de circuito impreso, garras jacaré, soporte para 4 pilas, caja para montaje, hilos, soldadura, etc.




