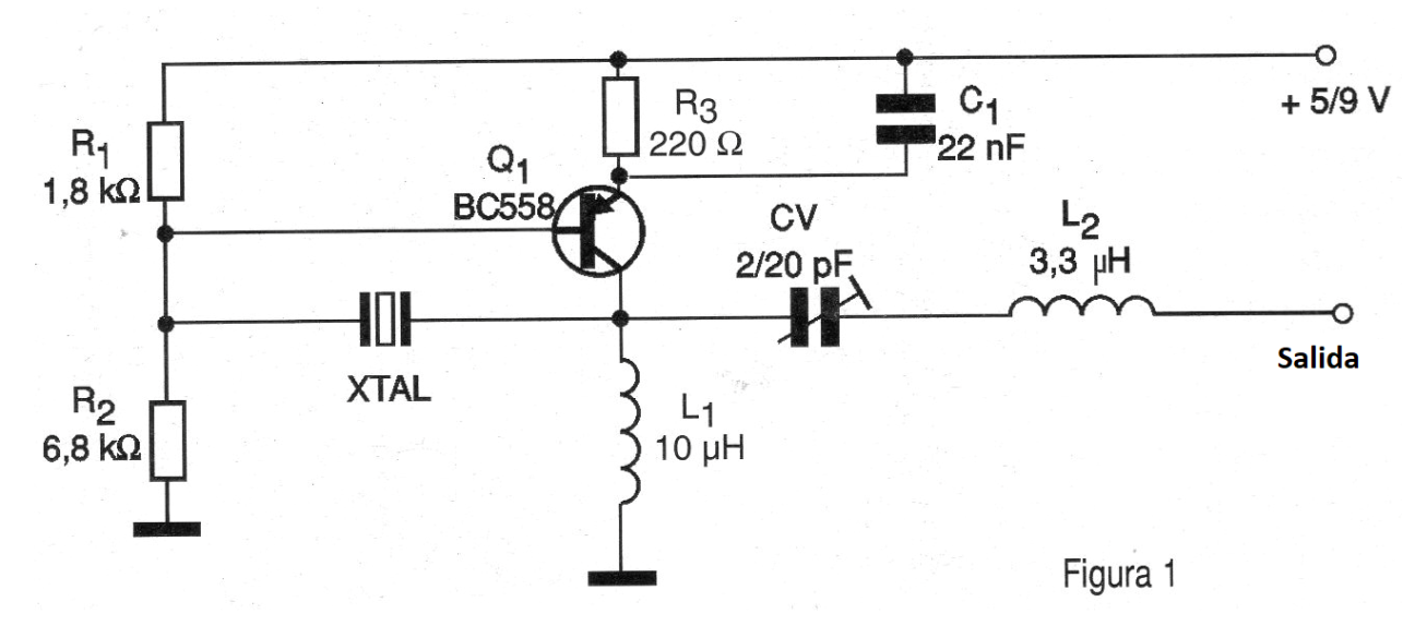
El oscilador mostrado en la figura 1 utiliza un cristal para la banda de radioaficionados PX (11 metros o CB), y tiene como base un transistor PNP de uso general. El ajuste del punto ideal de oscilación se obtiene mediante un trimmer (CV). El condensador C1 debe ser cerámico y los inductores tanto pueden ser microchips como de fabricación casera.
En la figura 2 damos una sugerencia de placa de circuito impreso para el montaje de ese oscilador.
Observamos que las conexiones deben ser cortas.
Lista de material
Q1 - BC558 - transistores PNP de uso general
CV - trimmer 2-20 pF o cerca de este rango de valores
L1 - 10 uH - microchip
L2 - 3,3 uH - microchoque
R1 - 1,8 k ohms x 1/8 W - resistor - marrón, gris, rojo
R2 - 6,8 k ohms x 1/8 W - resistor - azul, gris, rojo
R3 - 220 ohms x 1/8 W - resistor - rojo, rojo, marrón
C1 - 22 nF - capacitor de cerámica
XTAL - Cristal para el rango de los 27 MHz
Varios:
Placa de circuito impreso, hilos, soldadura, etc.





