Este circuito simple, que no necesita fuente de alimentación, mide la intensidad del campo producido por transmisores de ondas medias y cortas.
Se trata de un aparato de gran utilidad en el ajuste y comprobación de pequeños transmisores y también en la verificación de sistemas de antenas.
Conforme a la bobina usada, podemos medir señales desde la banda de ondas medias hasta aproximadamente 50 MHz.
El circuito es bastante sensible, en función del instrumento indicador utilizado y no necesita alimentación, ya que la energía para accionamiento viene de la propia señal captada por la antena telescópica.
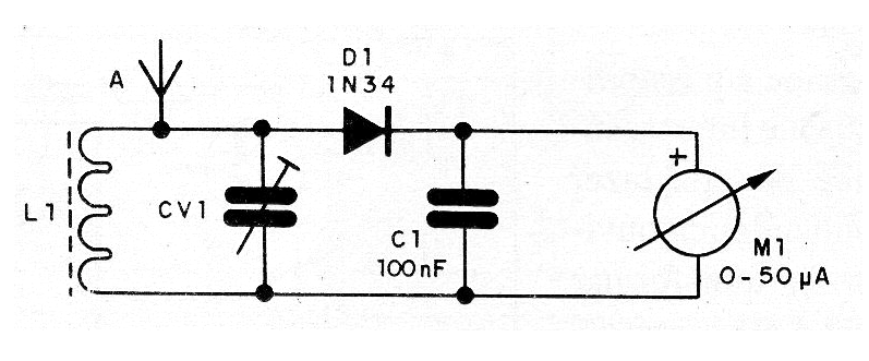
En la figura 1 tenemos el diagrama completo del medidor de intensidad de campo.
En la figura 2 tenemos el montaje basado en un pequeño puente de terminales.
La bobina se enrolla en un bastón de ferrita de 1 cm de diámetro y 10 cm de longitud con hilo 28. El número de espiras depende de la banda:
500 kHz a 2 MHz- 80 espiras
2 MHz a 7 MHz - 30 espiras
7 MHz a 15 MHz - 15 espiras
15 MHz a 30 MHz - 10 espiras
La antena es de tipo telescópico de 60 cm a 1 metro de longitud y el CV se aprovecha de una radio AM común fuera de uso.
El instrumento indicador es un microamperímetro de 200 uA que se puede obtener en un amplificador o grabadora fuera de uso. C1 no es crítico y el diodo puede ser de cualquier tipo de germanio.
Para probar, acerque la antena de un transmisor y ajuste CV hasta obtener la indicación de la señal en el instrumento.
Lista de material
D1- 1N34 o equivalente - diodo de germanio
L1- Bobina- ver el texto
CV1- Capacitor variable de 210 pF- ver texto
A - antena telescópica
M1 - 200 uA- galvanómetro o microamperímetro
C1- 100 nF- capacitor cerámico
Varios:
Puente de terminales, caja para montaje, hilos, soldadura, etc.





