Con este proyecto simple experimental podemos controlar un motor a partir de una linterna o de la luz ambiente. El circuito opera con motores de 3 a 6 V.
Usando un LDR común como sensor, podemos controlar un pequeño motor a partir de la luz de una linterna o de la propia luz ambiente.
El circuito es muy sensible, pudiendo ser usado en demostraciones, como parte de un automatismo o en un robot experimental simple que se mueve con la presencia de luz.
La corriente máxima recomendada para el motor es de 500 mA, en cuyo caso el circuito debe ser alimentado por pilas medias o grandes.
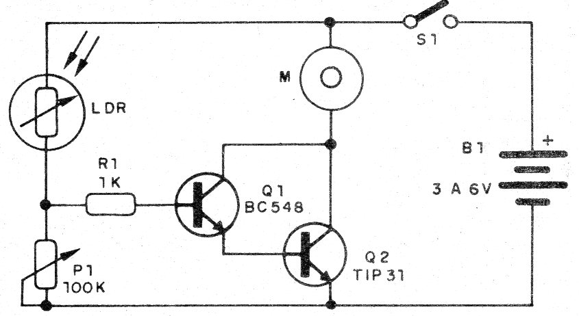
En la figura 1 tenemos el diagrama completo del control.
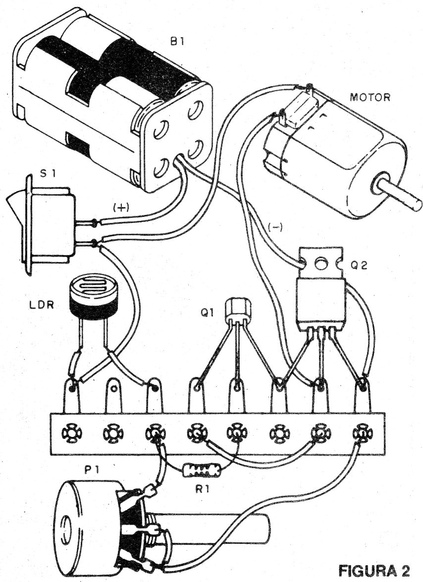
En la figura 2 tenemos el montaje en un pequeño puente de terminales.
En el montaje, observe las posiciones de los transistores y la polaridad de las pilas.
El resistor es de 1/8 W con cualquier tolerancia y el LDR puede ser de cualquier tipo redondo común.
El potenciómetro sirve para ajustar la sensibilidad del circuito en función de la iluminación de disparo.
Monte el LDR en un tubo con lente para mayor directividad y sensibilidad.
Lista de Material
Q1- BC548 - transistores NPN de uso general
Q2 - TIP31 - transistores NPN de potencia
R1 - 1 k ohms - resistor - marrón, negro, rojo
P1 - 100 k ohms - pote
LDR - LDR redondo común
M - motor de 3 a 6 V con hasta 500 mA de corriente
S1 - Interruptor simple
B1 - 3 a 6 V - pilas - ver texto
Varios:
Puente de terminales, soporte de pilas, hilos, soldadura, etc.





