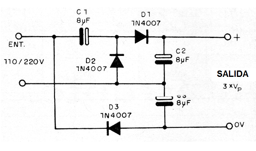
En la red de 110 V podemos obtener de este circuito una tensión continua del orden de 450 V y en la red de 220 V podremos obtener cerca de 900 V, sin carga. La corriente máxima es del orden de algunas decenas de miliamperios. Lo que tenemos es un triplicador de tensión que multiplica por 3 la tensión de entrada de la red de energía y la rectifica para alimentación de algún circuito electrónico.
Los capacitores deben tener una tensión de trabajo que sea al menos dos veces la tensión de pico de la red en que el circuito funcione. Esto significa al menos 300 V para la red de 110 V y el doble para la red de 220 V. Con condensadores más grandes, podemos obtener una corriente de salida mayor.
El mismo circuito también opera con bajas tensiones alternas, en cuyo caso las tensiones de trabajo de los condensadores y de los diodos también pueden ser menores.
En la figura 1 tenemos el circuito completo del triplicador y en la figura 2 la disposición de los componentes en un pequeño puente de terminales.
Si el circuito se conecta directamente a la red de alimentación, coloque en serie un fusible de 1 A.
Atención: este circuito no está aislado de la red de energía, pudiendo causar choques peligrosos en los que lo toque.
Lista de material
D1, D2, D3 - 1N4007 - diodos de silicio
C1, C2, C3 - 8 uF x 300 V (110 V) o 8 uF x 600 V (220 V) - capacitores electrolíticos
Varios: puente de terminales, hilos, soldadura, etc.





