Los circuitos parpadeantes comunes con el 4093 tienen ciclos activos del 50%. Para una aplicación en la que paradas cortas son deseadas, tenemos el circuito sugerido en la figura1. Newton C. Braga

Lea más:

 


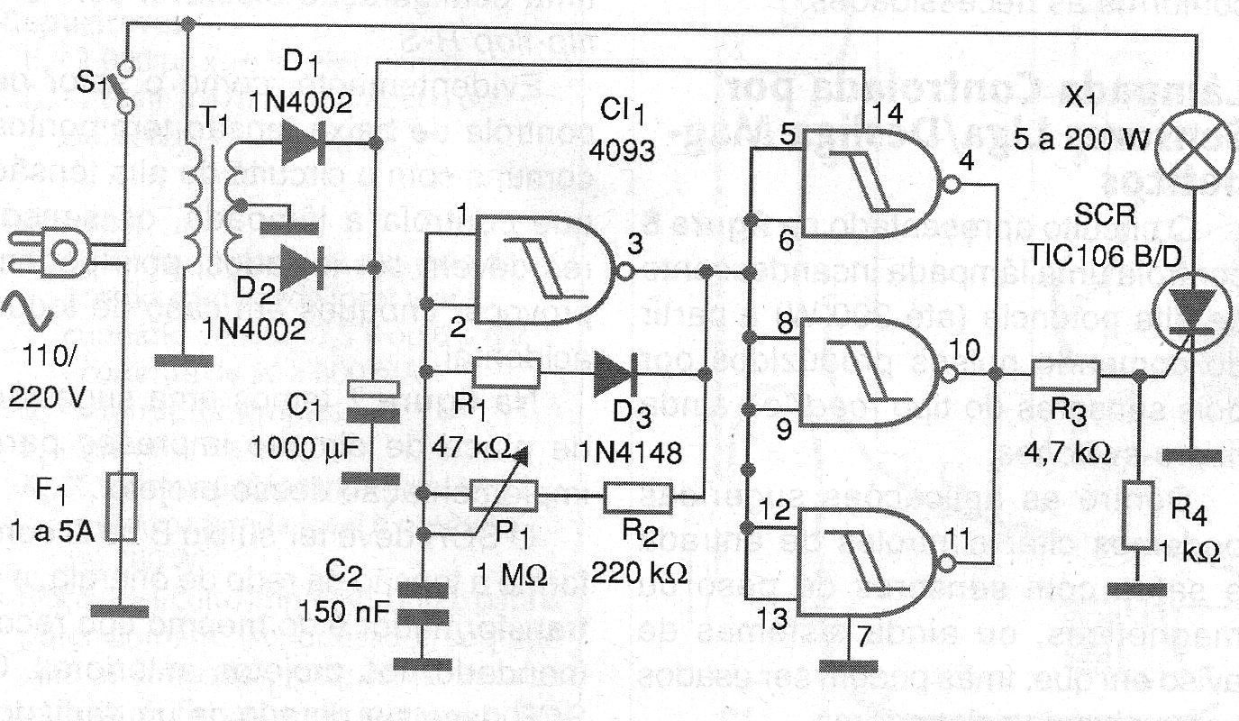
| Clique na imagem para ampliar |

 

    

En él, el ciclo activo es determinado por la resistencia R1. Este componente puede tener valores en el rango de 2,2 k ohmios (para parpadeos muy cortos) hasta 47 k ohms, para picaduras más largas. El intervalo, entre los intermitentes, por otro lado, se ajusta en el potenciómetro o trimpot P1.

   El capacitor C2 determina la frecuencia media de los intermitentes y el ciclo activo. Todos estos componentes pueden tener sus valores cambiados en función del comportamiento deseado para el circuito.

   En la figura 2 tenemos la placa de circuito impreso que se puede utilizar para este montaje.

 


| Clique na imagem para ampliar |

 

 

    El SCR debe tener sufijo B o D según la red de energía y debe estar dotado de un radiador de calor. El transformador es del mismo tipo recomendado en los montajes anteriores.

   Las mismas precauciones de los montajes anteriores deben tomarse con respecto a las partes expuestas que pueden causar choques. El fusible se dimensionará de acuerdo con la potencia de la lámpara. Recordamos que sólo las cargas resistivas deben controlarse.

 

 

Lista de material

 

Semiconductores:

CI-1 - 4093 - circuito integrado CMOS

SCR - TIC108B o D - SCR común según la red de energía

D1, D2 - 1N4002 - diodos de silicio

D3 - 1N4148 o equivalente - diodo de uso general

Resistores: (1/8 W, 5%)

R1 - 47 k ohms - amarillo, violeta, naranja

R2 - 220 k ohms - rojo, rojo, amarillo

R3 - 4,7 k ohms - amarillo, violeta, rojo

R4 - 1 k ohms - marrón, negro, rojo

Capacitores:

C1 - 1 000 uF x 16 V - electrolítico

C2 - 150 nF - cerámico o poliéster

Varios:

T1 - Transformador con primario según la red de energía y secundaria de 7,5 + 7,5 o 6 + 6 V y corriente de 50 mA a 300 mA

F1 - Fusible de 1 a 5 A - ver texto

X1 - Lámpara incandescente de 5 a 200 W

Placa de circuito impreso, cable de fuerza para el fusible, zócalo para la lámpara, caja para montaje, botón para el potenciómetro, hilos, soldadura, etc.