Para acompañar el ritmo de una canción, para determinar el compás de los movimientos en una danza o en gimnasia, o simplemente para medir las operaciones rápidas, se utiliza un aparato llamado metrónomo.

Describimos en este artículo el montaje de un simple metrónomo que sirve para estudiantes de música, gimnastas e incluso corredores.

 

El circuito propuesto produce chasquidos de buen volumen en un altavoz a un ritmo constante que puede ajustarse desde un golpe cada 3 o 4 segundos hasta más de 10 batidos por segundo.

 

La alimentación del circuito se puede realizar con tensiones de 3 a 6 V (según el volumen deseado) y todos los componentes son comunes. Hay incluso algunos componentes que pueden ser aprovechados de aparatos fuera de uso como el altavoz, potenciómetro, etc.

 

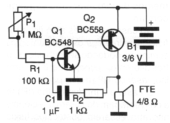
Como funciona: en un oscilador, parte de la señal de salida se aplica a la entrada en un proceso denominado retroalimentación. Es la realimentación dada por C1 y R2 que determina, junto con la polarización, dada por R1 y P1, la frecuencia de las oscilaciones.

 

Con un capacitor de 1 uF (electrolítico o poliéster) tenemos una banda baja de frecuencias o pulsos según lo requerido para un metrónomo.

 

Los dos transistores, un NPN y otro PNP, proporcionan la amplificación de la señal y así mantienen las oscilaciones. En la figura 1 tenemos el diagrama completo del oscilador de baja frecuencia que forma el metrónomo.

 


| Clique na imagem para ampliar |

 

 

El montaje se puede realizar en un puente de terminales como se muestra en la figura 2.

 


| Clique na imagem para ampliar |

 

 

Para P1 podemos usar tanto un trimpot como un potenciómetro y valores entre 1 y 4,7 M ohms son permitidos. Por supuesto, el uso de un potenciómetro facilita el montaje en una caja como sugiere la figura 3, con un ajuste simple de la velocidad.

 


 

 

 

Los resistores son de 1/8 W o más grandes y el altavoz puede ser de cualquier tamaño tanto con 4 y 8 ohmios. Una escala en el potenciómetro, hecha con la ayuda de un cronómetro común o incluso un metrónomo "de verdad" como estándar ayudará mucho en el uso del aparato.

 

Para probar el metrónomo, basta con colocar las pilas en el soporte y accionar S1. El altavoz debe emitir pulsos de intervalos que se ajustarán a velocidad a través de P1.

 

Si desea cambiar el rango de velocidades es sólo cambiar el condensador C1. Los valores entre 220 nF y 10 uF se pueden experimentar sin problemas.

 

Para mayor potencia Q2 puede ser cambiado por un BD135, montado en un pequeño radiador de calor y el circuito alimentado por una tensión mayor, 9 o 12 V.