Cargas de corriente continua de hasta 2 ampères com tensiones de 6 a 15 volts pueden ser encontradas por este relé de estado sólido de gran sensibilidad.
Estas cargas pueden ser lámparas, motores, solenoides, elementos de calefacción, electroimanes, etc.
Los relés comunes pueden ser reemplazados por este circuito en muchos proyectos de robótica y mecatrónica y también como un excelente shield para microcontroladores..
La sensibilidad del circuito es lo suficientemente grande para que los sensores como fototransistores, LDR, termistores, etc. Se pueden utilizar directamente para controlar las cargas de alta corriente.
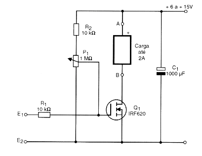
El ajuste de sensibilidad se realiza en P1 ya que el circuito que tiene como base un transistor de efecto de campo de potencia (Power MOSFET) es extremadamente sensible.
El transistor conduce cuando la tensión entre E1 y E2 es lo suficientemente positiva para saturarlo.
Un sensor resistivo se conectará entre E1 y el positivo de la alimentación.
El circuito también puede ser controlado directamente por salidas TTL y CMOS lo que permite su uso en la interfaz de proyectos de robótica y mecatrónica con microcontroladores.
En la figura 1 tenemos el diagrama completo del relé de estado sólido para corrientes de hasta 2 amperios.

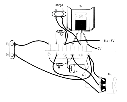
La disposición de los componentes en un puente de terminales se muestra en la figura 2.

El transistor debe tener un radiador de calor, principalmente si se utiliza con corriente por encima de 1 amperio.
Los resistores son de 1/8 W o mayores y el condensador debe tener una tensión de trabajo un poco mayor que la usada en la alimentación.
En los puntos A y B conectamos la carga a controlar y entre E1 y E2 o E1 y el positivo de la alimentación, el sensor o la fuente de señal de excitación del circuito.
Si la carga es inductiva (motores o solenoides), es conveniente conectar un diodo de protección en paralelo, polarizado en sentido inverso (cátodo o banda) conectado al positivo de la alimentación.
Comprobado el funcionamiento del relé, sólo usarlo.
LISTA DE MATERIAL
Semiconductores:
Q1 - IRF620 o equivalente - cualquier FET de potencia con más de 2 A de corriente de drenaje
Resistores: (1/8 W, 5%):
R1, R2 - 10 k ohms - marrón, negro, naranja
P1 - 1 M ohms - potenciómetro
Capacitores:
C1 - 1 000 uF - electrolítico
Varios:
Puente de terminales tipo antena / tierra de entrada y salida, radiador de calor para el transistor, caja para montaje, botón para el potenciómetro, hilos, soldadura, etc.



