Objetivo: Accionar de modo selectivo dos lámparas indicadoras (u otros dispositivos tales como relés o solenoides) usando sólo dos hilos de conexión.
Las lámparas pueden quedar hasta unas decenas de metros de la estación de llamada.
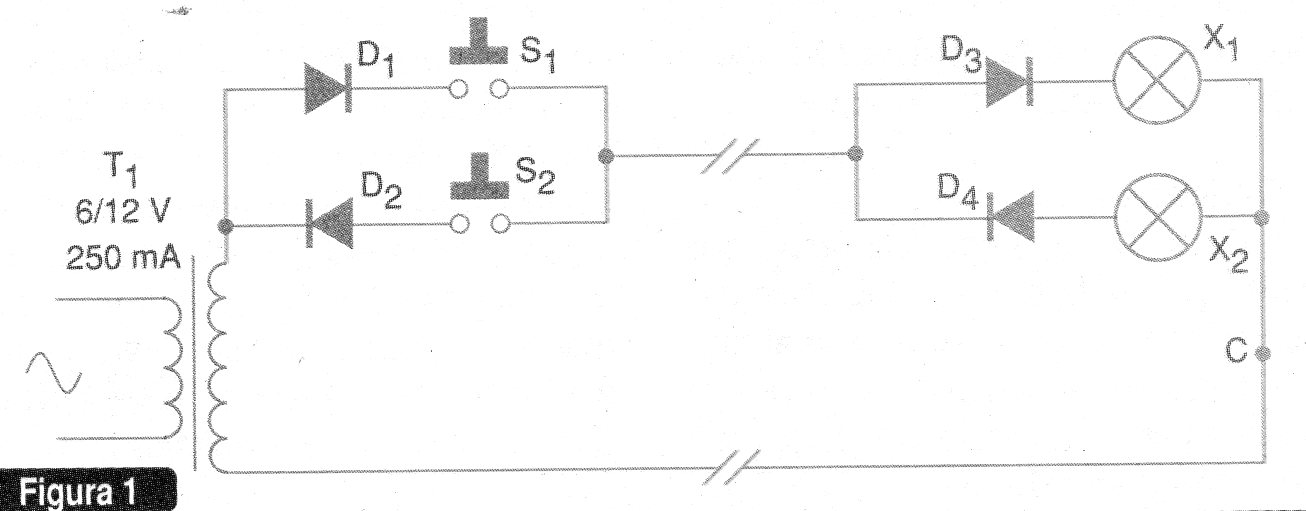
El circuito completo se muestra en la figura 1. Las llaves de accionamiento pueden ser sustituidas por sensores como micro-switches o reed-switches o aún contactos de relés.
Utilidades:
• Sistema selectivo de llamada indicando de dónde proviene la llamada en oficinas, residencias con dos puertas, etc.
• Monitoreo de funciones de una máquina, en cuyo caso los interruptores de presión pueden ser reemplazados por los contactos de relés o sensores del tipo on / off (micro-switches y otros, llaves de final de carrera, etc.).
• Sistema de control selectivo por dos cables donde las lámparas son reemplazadas por relés, motores DC o solenoides.
Detalles constructivos:
Se observa que el circuito es de media onda, lo que quiere decir que las cargas (lámparas) se encienden con la mitad de la potencia máxima, lo que debe ser previsto en el momento de la aplicación, principalmente si se utilizan motores o solenoides.
Para el transmisor podemos colocar los componentes en una pequeña placa si se utilizan llaves de accionamiento momentáneo en miniatura.
Para el caso de las llaves y lámparas están en lugares separados la placa de circuito impreso es dispensada ya que los diodos pueden ser soldados directamente en los terminales de las llaves y lámparas.
En la figura 2 tenemos una sugerencia de placa de circuito impreso para ese montaje.
Lista de material:
Semiconductores:
D1, D2, D3, D4 - 1N4002 - diodos rectificadores
Varios:
S1, S2 - Interruptores (o sensores) - ver texto
X1, X2 - Lámparas según la tensión del transformador
T1 - Transformador con primario según la red local y secundaria de 6 o 12 V x 100 mA o más, según las lámparas o dispositivos que deben ser alimentados.
Placa de circuito impreso, cable de alimentación, hilos, soldadura, etc.





