A continuación, daremos una serie de síntomas y causas, de defectos para radios transistorizados. Esta relación prevé los tipos de radios más comunes de una o más pistas, tanto para AM como FM.
Este artículo forma parte de un libro que el lector puede bajar gratuitamente en este sitio (El Básico de la Reparación).
Pasos de entrada
Síntoma 1: Pequeña sensibilidad en el extremo de las bajas frecuencias.
Causas: Transistores mezclador o aún convertidor con mal funcionamiento, debiendo efectuarse una verificación; desajuste de la bobina osciladora.
Síntoma 2: Pequeña sensibilidad en el extremo superior de la banda.
Causas: De nuevo se debe comprobar el transistor mezclador o el transistor convertidor; el núcleo de la ferrita de la bobina de antena puede estar partido o trincado; haga una comprobación en el ajuste del circuito sintonizado de antena junto a la variable (trimmer de antena).
Síntoma 3: No hay captación de señales en el extremo superior de la banda.
Causas: Los capacitores de emisor de los transistores de la etapa mezcladora deben ser verificados, pues pueden estar abiertos; el transistor del oscilador local o del convertidor puede tener problemas; compruebe el ajuste del circuito sintonizado de antena; verifique la alineación de las etapas de Fl: finalmente, haga una verificación en el capacitor variable, que puede estar con las placas cortocircuitadas por estar amasadas.
Síntoma 4: Se captura sólo una estación en toda la banda de sintonía.
Causas: El oscilador o la etapa convertidora son inoperantes, debiendo verificarse el transistor; las etapas de FI pueden estar completamente desajustadas.
Síntoma 5: No hay captura de ninguna estación en el extremo inferior de la pista.
Causas: La bobina osciladora puede estar desajustada; vea también si las placas del capacitor variable están dobladas y en corto.
Síntoma 6: Hay ruido en todas las estaciones que se capturan.
Causas: Suciedad en las placas del capacitor variable si es del tipo abierto; los contactos de las placas (placas móviles) de la variable pueden estar en problemas; vea también si el transistor del convertidor o del mezclador se encuentra en buenas condiciones.
Síntoma 7: No hay funcionamiento alguno (mudo).
Causas: Verifique todos los capacitores de desacoplamiento, que pueden estar en cortocircuito; vea también el estado del transistor mezclador o convertidor; "la bobina osciladora puede estar abierta; (en el caso de que se produzca un error en el sistema). si la bobina de antena tiene un enrollamiento primario, éste debe ser comprobado, ya que puede estar abierto.
Síntoma 8: Silbos en el cambio de estaciones (heterodinaje).
Causas: La bobina de antena puede estar abierta; vea también si el núcleo de la bobina de antena no está roto.
Pasos de FI
Síntoma 1: Señal débil en todas las estaciones.
Causas: Verifique los capacitores de desacoplamiento de emisor de los transistores, que pueden estar abiertos; vea también el ajuste de los transformadores de FI; ver si el transistor está en buenas condiciones; ver si no hay tensión excesiva en el CAG.
Síntoma 2: No hay señal en la salida de los pasos.
Causas: Consulte si los enrollamientos de los transformadores de FI no están abiertos; compruebe los capacitores de desacoplamiento, que pueden estar en corto; haga una prueba de los propios transistores.
Síntoma 3: Distorsión con señales fuertes.
Causas: Verifique la tensión en el CAG, que puede estar ausente o débil; vea la tensión de los colectores de los transistores; ver el estado de los propios transistores; y los valores de los resistores de polarización de base.
Síntoma 4: Ruidos.
Causas: Compruebe los transistores; ver si no hay corrosión en los devanados de los transformadores de F I.
Síntoma 5: Oscilaciones (pitos).
Causas: Vea si los capacitores de neutralización están en buenas condiciones; vea los demás capacitores de estas etapas.
Detector con diodo
Síntoma 1: La señal débil.
Causas: Verifique los capacitores de desacoplamiento de RF; vea el ajuste del transformador de FI inmediatamente anterior; que es la prueba del diodo, que puede estar con problemas.
Síntoma 2: Tensión de CAG nula.
Causas: Compruebe el diodo.
Síntoma 3: Distorsión con señales fuertes.
Causas: Vea el capacitor de desacoplamiento de RF; vea también los capacitores de filtro del CAG y finalmente haga una prueba del propio diodo.
Detector con transistores
Síntoma 1: La señal débil.
Causas: Verifique los capacitores de desacoplamiento de RF; vea el ajuste del transformador de FI; vea el estado del transistor.
Síntoma 2: Tensión de CAG nula.
Causas: Transistores con problemas. Debe probarse.
Síntoma 3: Distorsión.
Causas: El capacitor de acoplamiento puede estar en cortocircuito; el transistor puede estar mal.
Síntoma 4: Distorsión con señales fuertes.
Causas: El capacitor de desacoplamiento de RF puede estar en corto; el capacitor de filtro del CAG puede estar en corto; el transistor puede estar defectuoso.
Síntoma 5: No hay señal de salida.
Causas: El capacitor de acoplamiento puede estar abierto; el capacitor de desvío de RF puede estar en corto; compruebe si hay tensión de colector en el transistor; el propio transistor puede estar mal.
Etapa excitadora de audio (driver)
Síntoma 1: No hay señal de salida.
Causas: Enrollamiento primario del transformador de excitación abierto verifique; el capacitor de desacoplamiento de AF puede estar en corto; ver si hay tensión de colector en el transistor; prueba el propio transistor.
Síntoma 2: Señal de salida con poca intensidad.
Causas: Vea el estado del capacitor de emisor del transistor; compruebe la tensión de colector; vea el estado del propio transistor.
Síntoma 3: "Motorboating".
Causas: El capacitor de desacoplamiento de esta etapa puede estar abierto. Compruebe.
Síntoma 4: Distorsión.
Causas: El capacitor de desacoplamiento de emisor puede estar en cortocircuito; los resistores de polarización de base pueden estar con valores alterados; (el transistor puede estar mal.
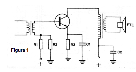
Etapa de salida (clase A)
El paso de salida clase A utiliza sólo un transistor en la configuración mostrada en la figura 1.

Síntoma 1: No hay señal de salida.
Causas: Altavoz defectuoso; bobinas del transformador abiertas; capacitores de desacoplamiento de AF con defecto (abiertos o en corto); control de volumen con problemas; contactos abiertos del jack de salida de auriculares.
Síntoma 2: Distorsión.
Causas: Altavoz defectuoso con la bobina raspando o con el cono rasgado; capacitores de desacoplamiento de emisor defectuosos; aumento del valor del resistor de emisor; transistores con problemas.
Síntoma 3: Señal de baja intensidad en la salida (pequeño volumen).
Causas: Altavoz o transistor defectuoso.
Síntoma 4: "Mótorboating" o oscilaciones.
Causas: Capacitor de filtro de la fuente abierta; capacitor de desacoplamiento de colector abierto.
Etapa de salida (clase B)
El paso de salida clase B o push-pull lleva dos transistores del mismo tipo (par casado) y tiene la configuración mostrada en la figura 2.

Síntoma 1: No hay señal de salida.
Causas: Altavoz defectuoso; bobinas del transformador abiertas tanto en el transformador de excitación como de salida; capacitores de desacoplamiento de audio en corto; problemas de contacto en el jack del auricular; transistores de salida con problemas.
Síntoma 2: Distorsión.
Causas: Altavoz defectuoso; espiras del enrollamiento del transformador en corto; cambios en los valores de las resistores de polarización; transistores con problemas.
Síntoma 3: "Motorboating" o oscilaciones.
Causas: Capacitor de filtro de la fuente de alimentación o del colector abierto; cambio de valor del resistor de realimentación.



