Las pruebas de transistores son las más críticas, no sólo en vista de la existencia de dos tipos de transistores de polaridades diferentes (NPN y PNP) como también en vista de que estos elementos poseen tres terminales de conexión.
Entonces daremos dos tipos de pruebas para transistores comunes: en el circuito y fuera de él.
a) Prueba fuera del circuito
El multímetro puede revelar si un transistor es bueno o si presenta problemas, pero no puede decir nada al respecto de las características de este componente. Lo que se hace es una comprobación del estado de los dos empalmes existentes en el transistor.
Para realizar la prueba de un transistor fuera del circuito, en primer lugar el técnico necesita saber identificar sus tres terminales:
E = emisor
B = base
C = colector
Como existen miles de tipos diferentes de transistores en los aparatos electrónicos, en general, el técnico necesitará tener en su taller buenos manuales de transistores con la identificación de sus polos (O buscar en Internet). Estos manuales también deben decir si el transistor es NPN o PNP.
Las pruebas se harán con el multímetro en la escala intermedia de resistencias (x10 o x100) y los valores leídos se considerarán de la siguiente manera:
Altas resistencias = por encima de 100 000 ohmios
Bajas resistencias = debajo de 10 000 ohmios
Tenemos entonces los siguientes casos:
Los transistores NPN, tanto de germanio y de silicio: ponemos las puntas de prueba roja y negra (en el orden, suponiendo que el multímetro sea del tipo que posea polo positivo de la batería interna en la punta roja - en caso de duda, consulte el diagrama del aparato ) en las combinaciones dadas por la tabla siguiente:
Si en alguna prueba tenemos lecturas diferentes, el transistor tendrá problemas.
Las lecturas de resistencias bajas, donde deberían ser altas, indican que el transistor está en corto. Las lecturas de resistencias altas donde deberían ser bajas indican que el transistor está abierto. En todos los casos el transistor no debe ser usado.
Para los transistores PNP el procedimiento es el mismo, pero las lecturas son:

Los transistores de RF, de audio, de pequeña, media y alta potencia pueden ser probados de este modo, sólo modificando los valores de lo que serían las lecturas de bajas resistencias, pero siempre dentro de aquella franja indicada, inferior a 10 000 ohmios para las bajas .
Si una resistencia del orden de algunos megohms se lee entre el colector y el emisor, por debajo de lo normal para la resistencia alta, por lo tanto, esto indica un transistor con fuga. Dependiendo de la aplicación este transistor no debe ser usado, pues puede presentar problemas de funcionamiento.
b) Prueba del circuito
En el circuito, la mejor prueba para un transistor consiste en la medida de la tensión en sus terminales.
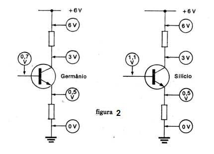
En la figura 2 tenemos las tensiones típicas que se pueden encontrar tanto en un transistor de germanio como de silicio.

Se observa que la diferencia de tensión entre la base y el emisor, que debe ser una constante para los transistores, varía de un tipo a otro.
Así, en pruebas en el circuito de transistores, con el multímetro en la escala más baja de tensión, debemos tener en cuenta que:
La tensión de base debe mantener una diferencia de 0,2 V en relación al emisor para los transistores de, germanio y de 0,6 V, aproximadamente, para los transistores de silicio.
La tensión de base debe ser 0,2 o 0,6 V mayor que la de emisor en los transistores NPN, y debe ser 0,2 a 0,6 V menor que la de emisor en los transistores PNP.
Los valores diferentes indican un transistor con problemas o componentes de polarización deficientes.
La tensión de colector normalmente queda en un valor intermedio entre la tensión de alimentación y el cero voltios.
La tensión de emisor puede ser cero volt, .puede ser la tensión de alimentación o puede tener un valor intermedio en los siguientes casos: será cero voltios si el transistor es NPN y el emisor tiene conexión directa a la masa; será la tensión de alimentación si el transistor es PNP y tiene conexión directa al positivo de la alimentación; tendrá un valor intermedio si hay una resistencia de emisor.
En la figura 3 mostramos estos diferentes casos en circuitos prácticos que aparecen en radios transistorizados y otros aparatos.

La diferencia de tensión entre los tres elementos de los transistores debe mantenerse del siguiente modo: diferencia entre el emisor y la base - 0,2 o 0,6 V, según el transistor sea de silicio o germanio; diferencia de tensión entre base y colector - típicamente más del 40% de la tensión de alimentación; diferencia de tensión entre colector y emisor - típicamente más del 40% de la tensión de alimentación.
Con estos elementos, usando el multímetro, el reparador de aparatos estará apto para localizar problemas con aparatos transistorizados.



