Los osciladores de alta frecuencia pueden ser necesarios en diversos tipos de aplicaciones industriales y de consumo como por ejemplo en instrumentación, bancada de pruebas y justes, etc. También son importantes los osciladores de este tipo para reparar aparatos de radio AM o FM, receptores, sintonizadores, intercomunicadores, y otros. Un generador de señales capaz de producir señales de altas frecuencias con buena intensidad es indispensable. El aparato que describimos en este artículo produce una señal de buena intensidad en una amplia gama de frecuencias y se modula con un tono de audio, lo que facilita bastante su uso que requieren señales de este tipo.
Si el lector aún no tiene un generador de señales pequeñas o incluso un inyector de señales, no puede perder esta oportunidad para contar a partir de ahora con la ayuda de este tipo de equipo. Por otro lado se necesitan un circuito estable para la generación de altas frecuencias, esta configuración puede ser de gran utilidad.
Un proceso sencillo, rápido y eficiente de encontrar problemas en receptores de radio AM y FM, intercomunicadores y otros equipos de comunicación, es aplicar a su entrada una señal de RF. Por la forma en que esta señal, reproducida en el altavoz (o auricular) podemos localizar las etapas defectuosas.
Esta misma señal también puede ser útil para la realización de ajustes en las diversas etapas de equipos del mismo tipo llevándolo a un mejor desempeño. En muchos artículos hemos explicado cómo proceder para utilizar el inyector de señales que, en principio, es el mismo procedimiento utilizado para el caso de un pequeño generador de señales, lo que significa que el lector tiene varias referencias sobre este asunto.
Lo importante para el lector ahora es tener su pequeño generador, en la versión económica que presentamos en este artículo o utilizar la configuración básica de oscilador de alta frecuencia para otras aptitudes. El circuito presentado es básicamente un generador de audio pero que tiene por carga una bobina sintonizada en una frecuencia elevada, o aún un choque de RF que permite que los armónicos de altas frecuencias de la señal generada pasen a los aparatos externos en prueba. Estas frecuencias pueden alcanzar valores que incluso permiten su utilización con equipos de onda corta VHF e incluso FM.
La alimentación del circuito se realiza con pilas comunes y sólo se utilizan dos transistores. La señal fuerte puede transmitirse sin cables a los receptores que se colocan cerca.
COMO FUNCIONA
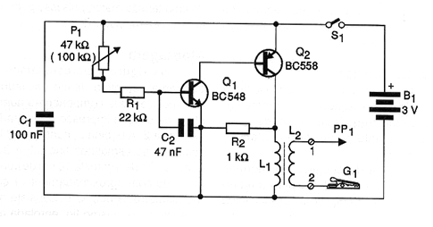
Tenemos básicamente un oscilador con dos transistores complementarios cuya frecuencia depende tanto de C2 y del ajuste del potenciómetro P1. La carga del circuito que normalmente es un altavoz para la reproducción de señales de audio ha sido sustituida por una bobina con núcleo de ferrita. De esta forma, incluso los armónicos de altas frecuencias de las señales generadas, aparecen con intensidad en la salida.
Si queremos un acoplamiento mejor con la conexión directa del generador al circuito en prueba, podemos hacerlo a través de un devanado adicional colocado sobre la bobina de carga. En este enrollamiento conectaremos una punta de prueba y una garra jacaré. El capacitor C2 que determina la frecuencia del oscilador, puede tener su valor cambiado en una amplia gama. La alimentación del circuito se realiza con 2 pilas. No recomendamos el uso de una tensión mayor porque esto podría calentar el transistor Q2.
MONTAJE
En la figura 1 tenemos el diagrama completo de este oscilador.

La disposición de los componentes en una placa de circuito impreso se muestra en la figura 2.

La bobina L1 consta de 200 vueltas de alambre esmaltado fino (28 a 32) en un bastón de ferrita de 10 cm de longitud con aproximadamente 1 cm de diámetro. La bobina L2 consta de 30 espiras del mismo hilo, enrollada al lado o sobre L1.
Los transistores admiten equivalentes, y los resistores son de 1 / 8W con un 5% o más de tolerancia. Los capacitores pueden ser de poliéster o cerámicos. Para la alimentación se pueden utilizar 2 pilas pequeñas en soporte adecuado.
PRUEBA Y USO
Para probar la unidad basta con conectar S1 y acercar el aparato a una radio de onda media conectada a medio volumen en una frecuencia libre. La señal se ajustará en P1 y se debe capturar con facilidad.
Para utilizar el aparato con diversos tipos de receptores que cubren desde la banda de ondas medias hasta la banda de VHF y que tengan buena sensibilidad, la inyección puede ser hecha por la simple aproximación. Para los receptores menos sensibles, o que estén muy descalibrados, la inyección debe ser directa, hecha de la manera mostrada en la figura 3.

La garra debe ser conectada del lado negativo de la alimentación y si no hay antena, el polo vivo (PP1) debe ser conectado a la entrada de las etapas a través de un capacitor de 10 a 100 pF cerámico. Los pasos deben ajustarse según los procedimientos indicados en los manuales de los fabricantes de los receptores.
LISTA DE MATERIAL
Semiconductores:
Q1 - BC548 o equivalente - transistores NPN de uso general
Q2 - BC558 o equivalente - transistores PNP de uso general
Resistores: (1/8W, 5%)
R1 - 22 k ohms - rojo, rojo, naranja
R2 - 1 k ohms - marrón, negro, rojo
P1 - 47 k ohms o 100 k ohms - potenciómetro
Capacitores:
C1 - 100 nF - cerámico o poliéster
C2 - 47 nF - cerámico o poliéster
Varios:
L1, L2 - bobinas - ver texto
S1 - Interruptor simple
B1 - 3V - 2 pilas pequeñas
PP1 - Punta de prueba roja
G1 - Garra cocodrilo
Placa de circuito impreso, soporte para dos pilas, caja para montaje, botón para el potenciómetro, hilos, soldadura, etc.



