Este proyecto didáctico puede ser utilizado en materias electivas y cursos técnicos como montaje práctico. Así, damos la versión en un montaje tanto en puente de terminales como también en matriz de contacto.
Este circuito consiste en un oscilador de muy baja frecuencia utilizando transistores complementarios.
El circuito puede ser alimentado por tensiones de 3 a 6 V y excita directamente un pequeño altavoz.
El altavoz produce entonces pulsos sonoros cuya cadencia (frecuencia) puede ajustarse en un potenciómetro.
Todos los componentes utilizados son comunes y de bajo costo.
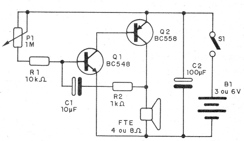
En la figura 1 tenemos el diagrama completo del metrónomo.
El montaje en puente de terminales se muestra en la figura 2.
El montaje utilizando una matriz de contactos se muestra en la figura 3.
El capacitor C1 se puede cambiar en una amplia gama de valores según el rango de frecuencias deseado.
El altavoz puede ser de 4 ó 8 ohmios de 2,5 a 10 cm de diámetro.
Lista de material
Q1 - BC548 - transistores NPN de uso general
Q2 - BC558 - transistores PNP de uso general
FTE - altavoz de 4 u 8 ohmios
P1 - 1M-potenciómetro
R1 - 10 k ohms x 1/8 W - resistor - marrón, negro, naranja
R3 - 1k ohms x 1/8 W - resistor - marrón, negro, rojo
C1 - 10 uF - capacitor electrolítico - 6 V o más
C2 - 100 uF x 6 V - capacitor electrolítico
S1 - Interruptor simple
B1 - 3 a 6 V - 2 a 4 pilas pequeñas
Varios:
Puente de terminales o matriz de contacto, hilos, soldadura, etc.






