Este relé de voz o relé sónico es accionado por una señal de audio captada por un altavoz (que opera cómo micrófono). El circuito es sensible y la carga controlada puede ser de hasta 3 A de corriente con alimentación de 6 a 12 V. Se debe considerar la caída de tensión de 2 V que ocurre en el SCR disparado.
El micrófono es un pequeño altavoz y el transformador puede ser un transformador de salida de radios transistorizados antiguos o un pequeño transformador de fuente de alimentación con secundario de 5 1 12 V y corriente de 100 a 300 mA. La bobina de baja tensión se conecta al altavoz.
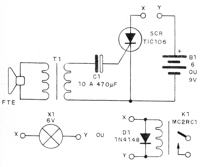
El circuito no es muy sensible, pero se puede obtener mucho más sensibilidad conectando su entrada a la salida de un amplificador de audio en cuya entrada exista un micrófono. En la figura 1 tenemos el circuito completo del interruptor sónico con opciones para el disparo de una lámpara incandescente y también de un relé de 6 o 12 V con 50 a 100 mA de bobina.
El montaje se puede realizar en una matriz de contactos, placa de circuito impreso y, para los principiantes, en un puente de terminales. Para el montaje en puente tenemos la figura 2 como referencia.

Lista de material
SCR - TIC106 para cualquier tensión
FTE-4 o 8 ohms - altavoz pequeño
C1 - 10 uF x 6 V o más - capacitor electrolítico
T1 - Transformador - ver texto
K1 - Relé de 6 o 12 V según la alimentación
B1 - 6 a 12 V - pilas, fuente o batería
X1 - Lámpara de 6 V o según la alimentación
D1 - 1N4148 - diodo de uso general
Varios: hilos, soldadura, puente de terminales, soporte de pilas o auriculares, etc.




