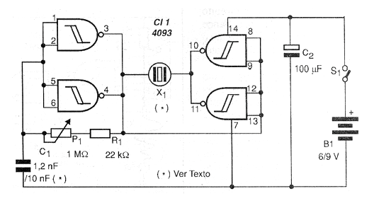
Los sonidos y los ultrasonidos pueden ser generados con el circuito mostrado en la figura 1.

Lo que tenemos es un oscilador / amplificador en contrafase que alimenta un transductor piezoeléctrico común de alta impedancia. Algunos de estos transductores, como los utilizados en tweeters, tienen una respuesta de frecuencia suficientemente buena para alcanzar la banda de los ultrasonidos hasta unos 25 kHz.
Así, tenemos dos posibilidades de uso para el aparato: usando cápsulas piezoeléctricas comunes con respuesta de frecuencia más baja, generamos sonidos. El potenciómetro o trimpot P1 se ajusta para obtener el mayor rendimiento. Por otro lado, usando un tweeter piezoeléctrico, del cual el transformador interno ha sido retirado y conectado directamente al transductor, reducimos el valor de C1 y generamos ultrasonidos.
Las aplicaciones para los dos casos son interesantes:
a) los sonidos
• Sistemas de advertencia o alarmas
• Espanta mosquitos
• Generador de audio
b) Ultrasonido
• Cazadora de animales (cachorros, etc.)
• Llama-perro
• Generador para experimentos de física
En la figura 2 mostramos una placa de circuito impreso para la implementación de este circuito.

Para generar ultrasonidos, conecte la alimentación y ajuste P1 hasta que el sonido se vuelva agudo hasta desaparecer, es decir, salir del alcance de nuestros oídos. Si tiene un osciloscopio o frecuencímetro, puede utilizarlo para determinar la frecuencia de las oscilaciones.
Lista de material
CI-1 - 4093 - circuito integrado CMOS
Resistores: (1/8 W, 5%)
R1 - 22 k ohms - rojo, rojo, rojo
P1 - 1 M ohms - trimpot
Capacitores:
C1 - 1 200 pF (ultrasonidos); 10 nF - sonidos
C2 - 100 uF x 12 V - electrolítico
Varios:
S1 - Interruptor simple
X1 - Transductor - ver texto
B1 - 6 a 12 V - pilas, batería o fuente
Placa de circuito impreso, caja para montaje, soporte de pilas o conector de batería, hilos, soldadura, etc.



