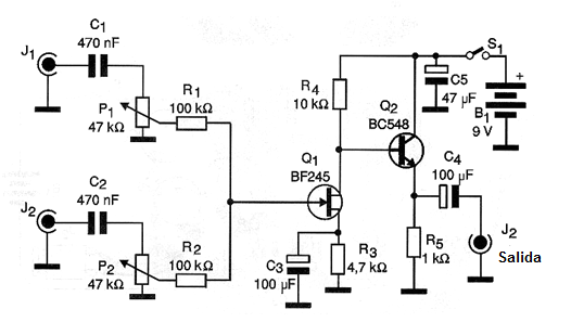
El mezclador de dos canales presentado en la figura 1 consiste en la solución ideal para los casos en que necesitamos una configuración económica y eficiente.

Aquí sólo hay dos canales de entrada, pero nada impide que la configuración se amplíe con la repetición de los pasos de entrada (C1, P1 y R1).
El circuito tiene una alta impedancia de entrada y una buena ganancia gracias al uso de un transistor de efecto de campo de unión.
La impedancia de salida es baja con una señal de buena amplitud capaz de excitar la mayoría de los amplificadores de audio común y otros equipos tales como transmisores, etc.
Los jack de entrada pueden ser del tipo RCA, así como el de salida.
En la figura 2 tenemos la placa de circuito impreso para este mezclador.

Para mayor facilidad de uso se recomienda el empleo de potenciómetros deslizantes y para mejor desempeño los cables de señal deben ser cortos y blindados. El uso de una caja metálica ayuda a evitar la captación de zumbidos.
La alimentación puede ser hecha por una batería de 9 V común que tendrá gran durabilidad gracias al bajo consumo del mezclador.
LISTA DE MATERIAL
Semiconductores:
Q1 - BF245 - transistores de efecto de campo de unión
Q2 - BC548 o equivalente - transistores NPN de uso general
Resistores: (1/8 W, 5% )
R1, R2 - 100 k ohms
R3 - 4,7 k ohms
R4 - 10 k ohms
R5 - 1 k ohms
Capacitores:
C1, C2 - 470 nF - cerámico o poliéster
C3, C4 - 100 μF / 12 V - electrolítico
C5 - 47 μF / 12 V - electrolítico
Varios:
P1, P2 - 100 k ohmios - potenciómetros lineales
S1 - Interruptor simple
J1, J2, J3 - jack RCA
B1 - 9 V - batería
Placa de circuito impreso, conector de batería, caja para montaje, botones plásticos para los potenciómetros, hilos, soldadura, etc.



