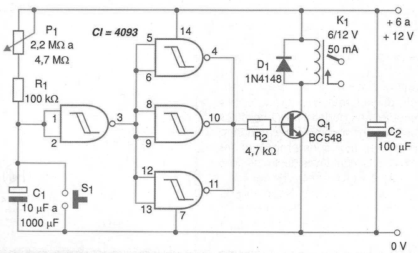
El circuito mostrado en la figura 1 apaga una carga después de un tiempo transcurrido desde el momento en que se establece su alimentación.
El tiempo depende de la constante de tiempo del circuito RC formado por el potenciómetro P1, resistencia R1 y del condensador C1 que puede tener valores de hasta 2 200 uF.
Con los valores mayores el circuito puede llegar a temporizaciones superiores a una hora.
Entre las aplicaciones posibles sugerimos sistemas de apagado automático o de accionamiento automático temporizado de diversos dispositivos.
El tipo de carga controlada depende exclusivamente de la capacidad de los contactos del relé utilizado.
Para aplicaciones en las que se utilice la batería como fuente de alimentación se debe optar por relés de bajo consumo.
El interruptor de presión S1 es opcional sirviendo como reset y también para garantizar que en la partida tengamos una temporización completa con la carga del condensador a partir de cero.
En la figura 2 tenemos una sugerencia de placa de circuito impreso para el montaje de este temporizador.
Esta placa proporciona la utilización de relés con zócalo DIL.
Para relés de mayor corriente el diseño de la placa debe ser rehecho de acuerdo con la disposición de los terminales o incluso previendo su montaje fuera de la placa.
LISTA DE MATERIAL
CI-1 - 4093 - circuito integrado CMOS
Q1 - BC548 o equivalente - transistores NPN de uso general
D1 - 1N4148 - diodo de uso general
R1 - 100 k ohms x 1/8 W - resistor - marrón, negro, amarillo
R2 - 4,7 k ohms x 1/8 W - resistor - amarillo, violeta, rojo
P1 - 1 M ohms a 4,7 M ohms - pote
C1 - 10 uF a 2 200 uF x 16 V - capacitor electrolítico
C2 - 100 uF x 16 V - capacitor electrolítico
K1 - 6 o 12 V x 50 mA o más sensible - relé
S1 - Interruptor de presión - opcional - ver texto
Varios:
Placa de circuito impreso, zócalo para el relé (opcional), hilos, soldadura, etc.





