El circuito presentado acciona un relé después de un tiempo ajustado en P1. Con los valores de los componentes indicados, este retardo puede llegar a más de 1 hora. Una aplicación es como temporizador o aún en el accionamiento automático de alarmas, después de que el propietario del inmueble deje el local.

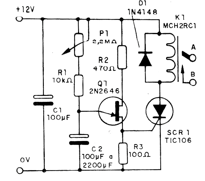
La alimentación del circuito se realiza con una tensión de 12 V obtenida de una fuente y el relé utilizado debe ser del tipo sensible de 12 V con contactos de acuerdo con la carga que debe ser accionada. El circuito consiste en un oscilador con transistor unijuntura que dispara un SCR. En la figura 1 tenemos el diagrama completo de la llave de retardo.

 

Figura 1 - Diagrama de la llave de retardo
Figura 1 - Diagrama de la llave de retardo | Clique na imagem para ampliar |

 

 

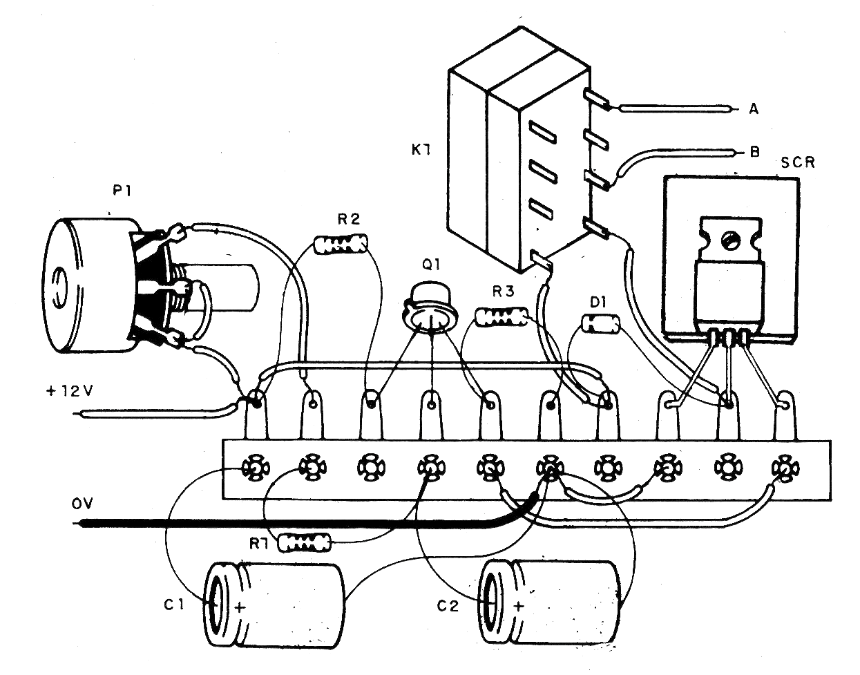
El circuito se puede montar en la matriz de contactos, placa de circuito impreso o puente de terminales. En la figura 2 damos el montaje en puente, indicado a los principiantes.

 

Figura 2 - Montaje en un puente de terminales
Figura 2 - Montaje en un puente de terminales | Clique na imagem para ampliar |

 

 

 

Lista de material

 

Q1 - 2N2646 - transistores unijunción

SCR1 - TIC106 - SCR para cualquier tensión

D1 - 1N4148 - diodo de uso general

R1 - 10 k ohmios x 1/8 W - resistor - marrón, negro, naranja

R2 - 470 ohmios x 1/8 W-resistor - amarillo, violeta, marrón

R3 - 100 ohmios x 1/8 W - resistor - marrón, negro, marrón

P1 - 2,2 M ohmios - pote

K1 - Relé de 12 V - Metaltex

C1 - 100 uF x 16 V o más condensador electrolítico

C2 - 1 000 uF a 2 200 uF x 12 V o más - condensador electrolítico

Varios: puente de terminales o placa de circuito impreso, hilos, soldadura, etc.