La prueba de componentes se puede hacer con facilidad con un instrumento denominado probador de continuidad. Este instrumento verifica si un componente deja o no pasar una corriente eléctrica, posibilitando así una evaluación de su estado.
Por supuesto, usted necesita saber si el buen componente debe o no dejar pasar la corriente. Así, un resistor deja pasar la corriente en una proporción inversa a su valor mientras que una bobina o un transformador deben presentar continuidad en sus devanados, dejando pasar la corriente.
Por otro lado, un diodo debe dejar pasar la corriente en un sentido, pero no en el opuesto y un condensador debe presentar aislamiento, no dejando pasar la corriente.
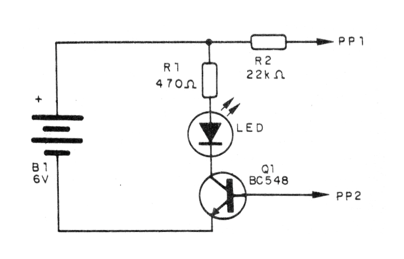
El probador que presentamos tiene una gran sensibilidad, haciendo encender el LED con resistencias menores que 100 000 ohmios. En la figura 1 tenemos el circuito de este probador que puede usar cualquier transistor de uso general.
El montaje de los componentes basados en un pequeño puente de terminales se muestra en la figura 2.
Encendiendo una punta de prueba en la otra el LED debe encenderse, indicando el paso de la cadena.
Lista de material
Q1 - BC548 - transistores NPN de uso general
LED - LED rojo común o de otro color
B1 - 6 V - 4 pilas pequeñas
R1 - 470 ohmios x 1/8 W - resistor - amarillo, violeta, marrón
R2 - 22 k ohmios x 1/8 W - resistor - rojo, rojo, naranja
Varios: soporte de pilas, puente determinados, puntas de prueba, hilos, soldadura, etc.





