Este aparato magnetiza instantáneamente pequeñas herramientas o piezas de metal u otro material que sea capaz de retener el magnetismo. Se trata de un recurso de gran utilidad en el taller cuando un tornillo cae en un lugar inaccesible de un aparato y necesitamos "pescarlo".
El principio de funcionamiento es simple: se carga un capacitor con alta tensión y luego se descarga este capacitor a través de una bobina, la cual crea un fuerte campo magnético instantáneo capaz de imantar los objetos que estén en su interior. El circuito funciona conectado directamente a la red de energía de 110 V o 220 V lo que significa que el lector debe tener mucho cuidado en su manejo así como en el montaje.
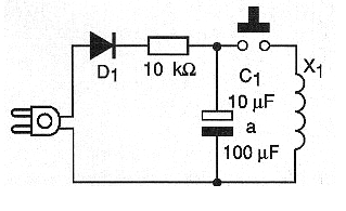
La descarga del capacitor, bastante fuerte provocando un "chasquido" que puede incluso asustar. Una llave de buena capacidad de corriente debe ser usada para evitar que sus contactos se quemen en estas descargas. En la figura 1 tenemos el diagrama completo del magnetizador.

En la figura 2 damos la disposición de los componentes que son soldados en un puente de terminales.
La bobina X1 consiste en 50 a 100 vueltas de alambre común o esmaltado grueso en un carrete de transformador. Puede ser aprovechado el devanado de baja tensión (5 a 12 V) de un transformador cuyo primario esté quemado.
Él ni siquiera necesita ser retirado, a menos que esté en corto. Basta desmontar el transformador, sacando su núcleo de hierro laminado con cuidado.
El diodo, el 1N4004 o 1N4007 según la red sea de 110 V o 220 V y el capacitor puede tener cualquier valor entre 10 y 100 uF. Para la red de 110 V la tensión mínima de trabajo recomendada es 200 V y para 220 V la tensión mínima es de 350 V. Su polaridad debe ser observada cuidadosamente.
El resistor R1 es de hilo con 5 a 10 W de disipación y la llave S1 debe ser del tipo reversible de 1 polo x 2 posiciones. Una llave de 2 polos se puede utilizar aprovechando sólo una sección. Para utilizar el aparato, conéctelo a la red de energía y pasar la llave S1 a la posición de carga (car). Después, espere unos segundos y pase a la posición de magnetizar (mag).
El objeto a ser magnetizado ya debe estar en el interior de X1. Al pasar la llave a esta posición ocurre un fuerte estallido y el campo magnético se aplica al objeto. Ver si fue magnetizado. Si no, repita algunas veces la operación de carga y descarga. Si el objeto no "acepta" magnetización, el material de que se hace puede ser de tipo no magnetizable.
LISTA DE MATERIAL
Semiconductores:
D1 - 1N4004 o 1N4007 - diodo de silicio
Resistores:
R1 - 10 k ohms x 10W - hilo
Capacitores:
C1 - 10 a 100 uF x 200 / 350V - electrolítico - ver el texto
Varios:
S1 - Llave de 1 polo x 2 posiciones
X1 - Bobina magnetizadora - ver texto
Puente de terminales, cable de alimentación, caja para montaje, hilos, soldadura, etc.




