El wattimetro o medidor de potencia eléctrica que describimos puede ser utilizado en la medida de potencia (y consumo) de electrodomésticos y electrónicos hasta unos 1.000 watts, dependiendo sólo del transformador usado.
Como el circuito aprovecha la propia energía del equipo que se está analizando para accionar un instrumento, no necesita una fuente de alimentación. Se trata de equipamiento bastante interesante para hacer la comparación de consumo de electrodomésticos comunes.
Como podemos ver por la figura 1, un transformador con un devanado de baja tensión y alta corriente se utiliza para derivar una pequeña parte de la energía consumida por el electrodoméstico en análisis para un instrumento de medida.

Esta energía es del orden de unos pocos por ciento de la energía requerida por el equipo, de modo que no afecta su funcionamiento y permite obtener con buena precisión una indicación de su consumo.
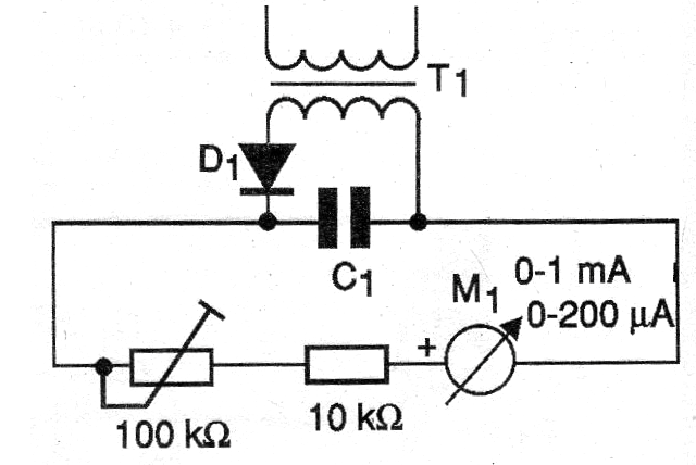
El instrumento indicador puede ser un multímetro común o un microamperímetro que se conectará como se muestra en la figura 2.

Para calibración se pueden utilizar lámparas incandescentes comunes de diversas potencias, anotando la tensión medida en el multímetro y la potencia equivalente. Las lámparas de 5 a 100 W se pueden utilizar para una buena calibración.
El transformador tiene un devanado primario de 110 V o 220 V. No importa la red local, ya que este devanado se utilizará para el muestreo de la potencia.
El secundario puede ser de 5 a 12 V con corrientes de 1 a 5 A. Esta corriente determinará la potencia máxima del electro-electrónico probado.
Por ejemplo, para un transformador de 2 A en la red de 220 V, tenemos una potencia máxima probada de 2 x 220 = 440 W. En la red de 110 V la potencia máxima será 110 W.
Observamos que el devanado primario estará conectado directamente a la red de energía, debiendo tomarse las precauciones adecuadas contra golpes. El voltímetro se utiliza en una escala de tensión continua alta, obtenida después de las pruebas de calibración.
En la figura 3 tenemos el aspecto final del montaje que podrá instalarse en una pequeña caja de madera o plástico.
Lista de material
D1 - 1N4007 - diodo de silicio
C1 - 470 nF x 400 V - capacitor de poliéster
P1 - Enchufe común
X1 - Toma común
T1 - Transformador - ver texto
M1 - Multímetro común o microamperímetro y trimpot / resistor - ver texto
Varios:
Cable de fuerza, caja para montaje, hilos, soldadura, etc.




