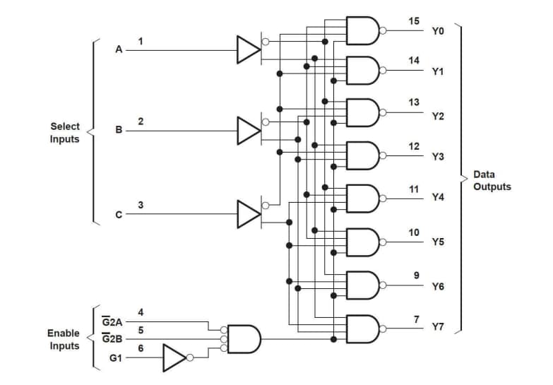
Los decodificadores/demultiplexores de 3 a 8 líneas SNx4AHCT138/SNx4AHCT138Q-Q1 de Texas Instruments están diseñados para su uso en aplicaciones de enrutamiento de datos y decodificación de memoria de alto rendimiento que requieren tiempos de retardo de propagación muy cortos. En sistemas de memoria de alto rendimiento, SNx4AHCT138/SNx4AHCT138Q-Q1 puede reducir los efectos de la decodificación del sistema. Cuando se opera con memorias de alta velocidad usando un circuito de habilitación rápida, los tiempos de retardo de este decodificador y el tiempo de habilitación de memoria son generalmente más cortos que el tiempo de acceso típico. Esta característica indica que el retraso efectivo del sistema introducido por el decodificador es insignificante.




