Se puede obtener mayor volumen de escucha en el auricular si un transistor se utiliza para amplificar las señales provenientes del diodo detector o del cristal.
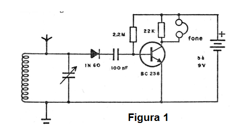
Esta posibilidad nos lleva al tipo más simple de radio transistorizado, o sea, la radio con un solo transistor usado como amplificador. El circuito completo de esta radio con los valores de los componentes se muestra en la figura 1.

Se observa que, incluso con la utilización de un transistor común de gran amplificación como el BC107, BC237 u otro equivalente, aún así, la ampliación de la señal no será suficiente para obtener escucha en un altavoz. Se debe utilizar un auricular sensible y una larga antena.
La alimentación para el circuito que ya es necesaria para el transistor puede venir de pilas comunes. Dos pilas que es el mínimo recomendado proporcionan 3 V y 6 pilas o una batería proporcionan 9 V que es el máximo recomendado para este caso.
Para obtener un montaje más compacto en lugar de la bobina en cable de escoba se puede usar una bobina enrollada en bastón de ferrita con el mismo número de vueltas.
Un problema que este tipo de receptor presenta, sin embargo, además de la falta de sensibilidad es su selectividad. Los transistores son dispositivos de baja impedancia de entrada y esta baja impedancia afecta la selectividad de un circuito como el de la radio simple de galena que vimos.
Se puede mejorar la selectividad de esta radio si en lugar de hacer la conexión del diodo directamente en el extremo de la bobina la hacemos por medio de una derivación.
Cuanto más cerca de la conexión a tierra esté a. la derivación o la toma de la bobina mejor será la selectividad de la radio, es decir, su capacidad para separar estaciones próximas, pero al mismo tiempo, si esta toma está muy cerca de la conexión a tierra su sensibilidad será afectada.
La posición exacta de la toma debe ser obtenida para obtener una selectividad ideal sin perjudicar la sensibilidad de la radio.



