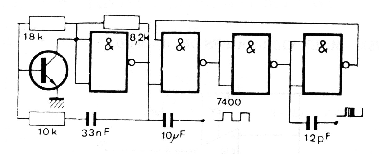
Este circuito TTL genera una señal de 18 MHz modulada en 300 Hz. Su uso principal es como generador de prueba para TV analógica. La alimentación es de 5 V. Como shield puede tener sus frecuencias alteradas según la aplicación.
El simple cargador que describimos sirve para pilas AA y también AAA, y del tipo aprovechado de packs de...
Este circuito de gran sensibilidad puede interconectar estaciones distantes hasta unos 50 metros con...
Este circuito se obtuvo en el propio datasheet del CA3140. Este componente consiste en un...